|
Serwis Edukacyjny w I-LO w Tarnowie
Materiały dla uczniów liceum |
Wyjście Spis treści Wstecz Dalej
Autor artykułu: mgr Jerzy Wałaszek |
©2026 mgr Jerzy Wałaszek
|
|
|
Układ 7486 zawiera cztery dwuwejściowe bramki EXCLUSIVE-OR (ang. Quad 2-input EXCLUSIVE-OR gate), które realizują sumę modulo 2 (funkcja logiczna WYŁĄCZNIE-LUB):

| A | B | Y |
| 1 | 1 | 0 |
| 0 | 1 | 1 |
| 1 | 0 | 1 |
| 1 | 1 | 0 |
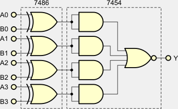
Za pomocą bramek 7486 można realizować funkcję WYŁĄCZNIE-LUB również dla więcej niż dwóch zmiennych, jednakże wtedy należy się liczyć ze wzrostem czasów propagacji:
![]() |

![]() |

![]() |

![]() |
Układ wytwarza dwa przebiegi komplementarne.
![]() |
![]() |
![]() |
Komparator czterobitowy. Na wyjściu Y pojawia się stan 1, jeśli wszystkie bity An są równe bitom Bn.
![]()
5486J, 5486W |
![]() 54L86J |
| Opis parametru | 5486 | 7486 | 74LS86A | 74S86 | Jednostka | |
| VCC | Napięcie zasilania | 4,5...5,5 | 4,75...5,25 | 4,75...5,25 | 4,75...5,25 | V |
| VIH | Napięcie wejściowe dla stanu 1 | 2 | 2 | 2 | 2 | V |
| VIL | Napięcie wejściowe dla stanu 0 | 0,8 | 0,8 | 0,8 | 0,8 | V |
| VOH | Napięcie wyjściowe dla stanu 1 | 2,4...3,4 | 2,4...3,4 | 2,7...3,4 | 2,7...3,4 | V |
| VOL | Napięcie wyjściowe dla stanu 0 | 0,2...0,4 | 0,2...0,4 | 0,25...0,4 | 0,5 | V |
| IIH | Prąd wejściowy w stanie 1 | 40 | 40 | 40 | 50 | µA |
| IIL | Prąd wejściowy w stanie 0 | -1,6 | -1,6 | -0,8 | -2 | mA |
| IOH | Prąd wyjściowy w stanie 1 | -0,8 | -0,8 | -0,4 | -1 | mA |
| IOL | Prąd wyjściowy w stanie 0 | 16 | 16 | 8 | 20 | mA |
| ICC | Prąd zasilania | 30...43 | 30...50 | 6,1...10 | 50...75 | mA |
| TA | Zakres temperatur pracy | -55...125 | 0...70 | 0...70 | 0...70 | °C |
| tpLH | Czas propagacji z 0 na 1 | 15...30 | 15...30 | 10...23 | 6,5...10 | ns |
| tpHL | Czas propagacji z 1 na 0 | 13...22 | 13...22 | 13...30 | 6,5...10,5 | ns |
![]() |
Zespół Przedmiotowy Chemii-Fizyki-Informatyki w I Liceum Ogólnokształcącym im. Kazimierza Brodzińskiego w Tarnowie ul. Piłsudskiego 4 ©2026 mgr Jerzy Wałaszek |
Materiały tylko do użytku dydaktycznego. Ich kopiowanie i powielanie jest dozwolone pod warunkiem podania źródła oraz niepobierania za to pieniędzy.
Pytania proszę przesyłać na adres email:
Serwis wykorzystuje pliki cookies. Jeśli nie chcesz ich otrzymywać, zablokuj je w swojej przeglądarce.
Informacje dodatkowe.