Serwis Edukacyjny
w I-LO w Tarnowie
Do strony głównej I LO w Tarnowie

Materiały dla uczniów liceum
 

  Wyjście       Spis treści       Wstecz       Dalej  

obrazek

Autor artykułu: mgr Jerzy Wałaszek

©2026 mgr Jerzy Wałaszek

7481 – 16-bitowa pamięć RAM

7481

Oznaczenie graficzne pamięci typu 7481

obrazek

Opis

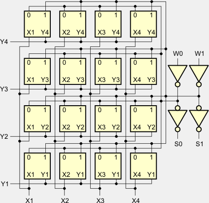
Układ 7481A zawiera statyczną pamięć 16-bitową (ang. 16-bit random access memory). Elementami pamięciowymi są przerzutniki ułożone w matrycy 4 x 4. Przerzutniki zbudowane są z dwóch sprzężonych ze sobą tranzystorów trójemiterowych. Każdy przerzutnik pamięta stan jednego bitu. Poniżej przedstawiamy strukturę logiczną pamięci 7481A.

obrazek

Stan nieaktywny wejść adresowych X i Y to stan niski 0. Jeśli chcemy odczytać poziom logiczny bitu zapamiętanego przez przerzutnik znajdujący się na przecięciu linii Xn i Yn, to podajemy na obie te linie stan wysoki 1. Powoduje to pojawienie się na wyjściu S0 lub S1 stanu niskiego (w stanie nieaktywnym na obu tych wyjściach panuje poziom logiczny 1). Jeśli przerzutnik adresowany liniami Xn i Yn pamięta 0, to linia S0 przechodzi w stan niski. Jeśli przerzutnik pamięta 1, to linia S1 przechodzi w stan niski. W ten sposób rozpoznajemy stan zapamiętanego bitu.

Jeśli chcemy zapisać bit w przerzutniku Xn, Yn, to podajemy stan wysoki na obie linie Xn i Yn, a następnie stan wysoki 1 na wejście W0, jeśli zapisujemy bit o stanie 0, lub na wejście W1, jeśli zapisujemy bit o stanie 1. Przy odczycie wejścia W0 i W1 powinny znajdować się w stanie niskim 0.

Pamięć 7481A jest pamięcią ulotną i traci pamiętaną informację po wyłączeniu zasilania.

Obudowa DIL-14

obrazek

Wybrane parametry elektryczne

  Opis parametru 5481A 7481A Jednostka
VCC Napięcie zasilania 4,5...5,5 4,75...5,25 V
VIH Napięcie wejściowe dla stanu 1 2 2 V
VIL Napięcie wejściowe dla stanu 0 0,8 0,8 V
Napięcie na liniach adresowych blokujące odczyt 0,8 0,8
Napięcie na liniach adresowych blokujące zapis 1 1
VOH Napięcie wyjściowe w stanie 1 5,5 5,5 V
VOL Napięcie wyjściowe w stanie 0 0,4 0,4 V
IIH Prąd wejściowy w stanie 1, zapis 40 40 µA
Prąd wejściowy w stanie 1, adres 400 400
IIL Prąd wejściowy w stanie 0, zapis -1,6 -1,6 mA
Prąd wejściowy w stanie 0, adres -11 -11
IOH Prąd wyjściowy w stanie 1 0,25 0,25 mA
IOL Prąd wyjściowy w stanie 0 20 40 mA
ICC Prąd zasilania 45...70 45...65 mA
TA Zakres temperatur pracy -55...125 0...70 °C
tw|write Szerokość impulsu zapisu 20 20 ns
tPLH Czas propagacji z 0 na 1 od X i Y 11...40 12...27 ns
tPHL Czas propagacji z 1 na 0 od X i Y 10...40 11...28 ns

do podrozdziału  do strony 

Zespół Przedmiotowy
Chemii-Fizyki-Informatyki

w I Liceum Ogólnokształcącym
im. Kazimierza Brodzińskiego
w Tarnowie
ul. Piłsudskiego 4
©2026 mgr Jerzy Wałaszek

Materiały tylko do użytku dydaktycznego. Ich kopiowanie i powielanie jest dozwolone pod warunkiem podania źródła oraz niepobierania za to pieniędzy.
Pytania proszę przesyłać na adres email: i-lo@eduinf.waw.pl
Serwis wykorzystuje pliki cookies. Jeśli nie chcesz ich otrzymywać, zablokuj je w swojej przeglądarce.

Informacje dodatkowe.