|
Serwis Edukacyjny w I-LO w Tarnowie
Materiały dla uczniów liceum |
Wyjście Spis treści Wstecz Dalej
Autor artykułu: mgr Jerzy Wałaszek |
©2026 mgr Jerzy Wałaszek
|
![]() |
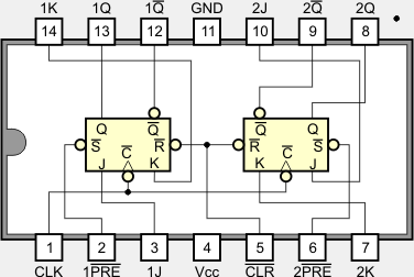
Układy 74H78 i 54L78 zawierają 2 przerzutniki JK Master Slave z ustawianiem oraz ze wspólnym zerowaniem i taktowaniem (ang. Dual JK Master-Slave Flip-Flops with Preset, common Clear and common Clock)). Przy narastającym zboczu sygnału zegarowego dane z wejść J i K zostają wprowadzone do przerzutnika Master. Przy opadającym zboczu sygnału zegarowego dane z przerzutnika Master są przepisywane do przerzutnika Slave i po okresie propagacji wpływają na stan wyjść Q i Q. Gdy sygnał zegarowy jest w stanie logicznym 1, wejścia J i K powinny utrzymywać ten sam poziom logiczny.
Układ 74LS78A zawiera dwa przerzutniki JK z ustawianiem oraz wspólnym zerowaniem i taktowaniem (ang. Dual JK Negative-edge-triggered Flip-Flops with Preset, common Clear and common Clock). Przerzutniki te są wyzwalane ujemnym zboczem sygnału zegarowego (1 → 0). Gdy sygnał zegarowy ma stan wysoki, wejścia J i K mogą zmieniać poziom logiczny bez wpływu na wyjścia przerzutnika. Stan tych wejść powinien jednak być utrzymany w czasie tsu przed zboczem ujemnym sygnału zegarowego.
![]() |
![]() |
![]() |
| PRE | CLR | CLK | J | K | Q | Q |
| 0 | 1 | X | X | X | 1 | 0 |
| 1 | 0 | X | X | X | 0 | 1 |
| 0 | 0 | X | X | X | 1 | 1 |
| 1 | 1 |
![]() |
0 | 0 | Qn-1 | Qn-1 |
| 1 | 1 |
![]() |
1 | 0 | 1 | 0 |
| 1 | 1 |
![]() |
0 | 1 | 0 | 1 |
| 1 | 1 |
![]() |
1 | 1 | Qn-1 | Qn-1 |
| PRE | CLR | CLK | J | K | Q | Q |
| 0 | 1 | X | X | X | 1 | 0 |
| 1 | 0 | X | X | X | 0 | 1 |
| 0 | 0 | X | X | X | 1 | 1 |
| 1 | 1 | ↓ | 0 | 0 | Qn-1 | Qn-1 |
| 1 | 1 | ↓ | 1 | 0 | 1 | 0 |
| 1 | 1 | ↓ | 0 | 1 | 0 | 1 |
| 1 | 1 | ↓ | 1 | 1 | Qn-1 | Qn-1 |
| 1 | 1 | 1 | X | X | Qn-1 | Qn-1 |
![]()
54H78J |
![]()
54L78J |
| Opis parametru | 54H78 | 54L78 | 74H78 | 74LS78A | Jednostka | |
| VCC | Napięcie zasilania | 4,5...5,5 | 4,5...5,5 | 4,75...5,25 | 4,75...5,25 | V |
| VIH | Napięcie wejściowe dla stanu 1 | 2 | 2 | 2 | 2 | V |
| VIL | Napięcie wejściowe dla stanu 0 | 0,8 | 0,6...0,7 | 0,8 | 0,8 | V |
| VOH | Napięcie wyjściowe dla stanu 1 | 2,4...3,4 | 2,4...3,3 | 2,4...3,4 | 2,7...3,4 | V |
| VOL | Napięcie wyjściowe dla stanu 0 | 0,2...0,4 | 0,15 | 0,2...0,4 | 0,25...0,5 | V |
| IIH | Prąd wejściowy w stanie 1, J lub K | 50 | 10 | 50 | 20 | µA |
| Prąd wejściowy w stanie 1, CLR | 200 | 40 | 200 | 120 | ||
| Prąd wejściowy w stanie 1, PRE | 100 | 20 | 100 | 60 | ||
| Prąd wejściowy w stanie 1, CLK | 100 | -400 | 100 | 160 | ||
| IIL | Prąd wejściowy w stanie 0, J lub K | -2 | -0,18 | -2 | -0,4 | mA |
| Prąd wejściowy w stanie 0, CLR | -8 | -0,72 | -8 | -1,6 | ||
| Prąd wejściowy w stanie 0, PRE | -4 | -0,36 | -4 | -0,8 | ||
| Prąd wejściowy w stanie 0, CLK | -4 | -0,72 | -4 | -1,6 | ||
| IOH | Prąd wyjściowy w stanie 1 | -0,5 | -0,1 | -0,5 | -0,4 | mA |
| IOL | Prąd wyjściowy w stanie 0 | 20 | 2 | 20 | 8 | mA |
| ICC | Prąd zasilania | 16...25 | 0,76...1,44 | 16...25 | 4...6 | mA |
| TA | Zakres temperatur pracy | -55...125 | -55...125 | 0...70 | 0...70 | °C |
| fmax | maksymalna częstotliwość taktowania | 25...30 | 2,5...3 | 25...30 | 30...45 | MHz |
| tPLH | Czas propagacji z 0 na 1, od CLR lub PRE do Q | 6...13 | 35...75 | 6...13 | 15...20 | ns |
| Czas propagacji z 0 na 1, od CLK do Q | 14...21 | 10...75 | 14...21 | 15...20 | ||
| tPHL | Czas propagacji z 1 na 0, od CLR lub PRE do Q | 12...24 | 60...150 | 12...24 | 15...20 | ns |
| Czas propagacji z 1 na 0, od CLK do Q | 22...27 | 10...150 | 22...27 | 15...20 | ||
| tsu | Czas przygotowania D przed imp. zeg. | 0 | 0 | 0 | 20 | ns |
| th | Czas utrzymania D po imp. zeg. | 0 | 0 | 0 | 0 | ns |
| tw | Zalecana szerokość impulsu CLK = 1 | 12 | 200 | 12 | 20 | ns |
| Zalecana szerokość impulsu CLK = 0 | 28 | 200 | 28 | 20 | ||
| Zalecana szerokość impulsu CLR lub PRE = 0 | 16 | 100 | 16 | 25 |
![]() |
Zespół Przedmiotowy Chemii-Fizyki-Informatyki w I Liceum Ogólnokształcącym im. Kazimierza Brodzińskiego w Tarnowie ul. Piłsudskiego 4 ©2026 mgr Jerzy Wałaszek |
Materiały tylko do użytku dydaktycznego. Ich kopiowanie i powielanie jest dozwolone pod warunkiem podania źródła oraz niepobierania za to pieniędzy.
Pytania proszę przesyłać na adres email:
Serwis wykorzystuje pliki cookies. Jeśli nie chcesz ich otrzymywać, zablokuj je w swojej przeglądarce.
Informacje dodatkowe.