Serwis Edukacyjny
w I-LO w Tarnowie
Do strony głównej I LO w Tarnowie

Materiały dla uczniów liceum
 

  Wyjście       Spis treści       Wstecz  

obrazek

Autor artykułu: mgr Jerzy Wałaszek

©2026 mgr Jerzy Wałaszek

74HC595 – 8-bitowy rejestr przesuwający z pamięcią i wyjściami trójstanowymi

74595

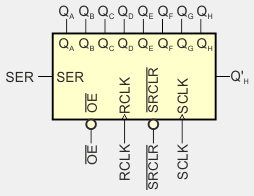
Oznaczenie graficzne rejestru typu 74HC595

obrazek

Opis

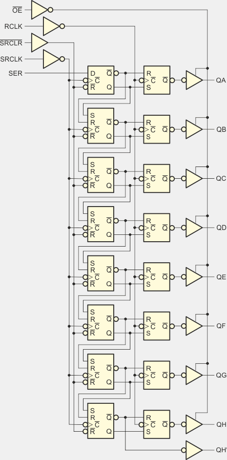
Układ 74HC595 zawiera 8-bitowy rejestr przesuwający z wejściem szeregowym i wyjściami równoległymi podłączonymi wewnętrznie do 8-bitowego rejestru pamięciowego z wyjściami trójstanowymi (ang. 8-Bit Shift Register with 3-State Output Register). Rejestr pamięciowy posiada 8 wejść i wyjść równoległych, które sterują bramkami trójstanowymi. Rejestr przesuwający może być asynchronicznie zerowany przez wejście SRCLR. Posiada on wejście szeregowe SER, które służy do wprowadzania danych przy dodatnim zboczu sygnału zegarowego SCLK. Dodatnie zbocze sygnału RCLK powoduje przepisanie stanu wyjść równoległych rejestru przesuwającego do rejestru pamięciowego. Pamiętany w rejestrze pamięciowym stan pojawia się na wyjściach układu, gdy sygnał OE przyjmuje stan niski. W stanie wysokim tego wejścia wszystkie wyjścia znajdują się w stanie wysokiej impedancji i nie obciążają magistrali wyjściowej.

Tabelka funkcji rejestru typu 74HC595

Wejścia Funkcja
SER SRCLK SRCLR RCLK OE
X X X X H Wyjścia QA...QH są nieaktywne (w stanie wysokiej impedancji)
X X X X 0 Wyjścia QA...QH są aktywne (zawartość rejestru pamięciowego)
X X 0 X X Rejestr przesuwający jest zerowany
0 1 X X Do pierwszego przerzutnika rejestru przesuwającego zostaje wprowadzony stan L.
Pozostałe przerzutniki przyjmują stany przerzutników poprzednich.
1 1 X X Do pierwszego przerzutnika rejestru przesuwającego zostaje wprowadzony stan H.
Pozostałe przerzutniki przyjmują stany przerzutników poprzednich.
X X X X Stan rejestru przesuwającego jest zapamiętywany w rejestrze pamięciowym.

Sieć logiczna

obrazek

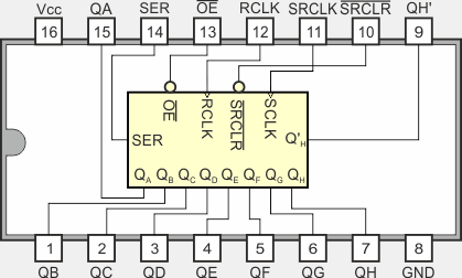
Obudowa DIL-16

obrazek

Wybrane parametry elektryczne

  Opis parametru 54HC595 74HC595 Jednostka
VCC Napięcie zasilania -0,5...7 -0,5...7 V
VIH Napięcie wejściowe dla stanu 1 0,75Vcc 0,75Vcc V
VIL Napięcie wejściowe dla stanu 0 0,25Vcc 0,25Vcc V
VOH Napięcie wyjściowe dla stanu 1 Vcc Vcc V
VOL Napięcie wyjściowe dla stanu 0 0 0 V
II Prąd wejściowy 1 1 µA
IO Prąd wyjściowy 35 35 mA
ICC Prąd zasilania 160 80 µA
TA Zakres temperatur pracy -55...125 -40...85 °C
fclock Częstotliwość zegara 4...25 5...29 MHz

do podrozdziału  do strony 

Zespół Przedmiotowy
Chemii-Fizyki-Informatyki

w I Liceum Ogólnokształcącym
im. Kazimierza Brodzińskiego
w Tarnowie
ul. Piłsudskiego 4
©2026 mgr Jerzy Wałaszek

Materiały tylko do użytku dydaktycznego. Ich kopiowanie i powielanie jest dozwolone pod warunkiem podania źródła oraz niepobierania za to pieniędzy.
Pytania proszę przesyłać na adres email: i-lo@eduinf.waw.pl
Serwis wykorzystuje pliki cookies. Jeśli nie chcesz ich otrzymywać, zablokuj je w swojej przeglądarce.

Informacje dodatkowe.