Serwis Edukacyjny
w I-LO w Tarnowie
Do strony głównej I LO w Tarnowie

Materiały dla uczniów liceum
 

  Wyjście       Spis treści       Wstecz       Dalej  

obrazek

Autor artykułu: mgr Jerzy Wałaszek

©2026 mgr Jerzy Wałaszek

74573 – osiem przerzutników typu D-Latch z wyjściami trójstanowymi

74LS573

Oznaczenie graficzne układu 74LS573

Opis

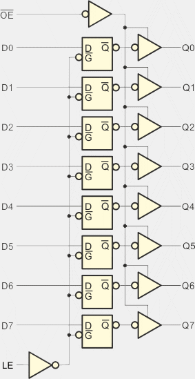
Układ 74LS573 jest szybkim rejestrem zbudowanym z ośmiu przerzutników typu D-Latch z buforowanym wejściem zatrzaskiwania informacji LE (ang. Latch Enable) i ze wspólnym buforowanym wejściem włączania wyjść (ang. Output Enable). Pod względem działania układ ten jest identyczny z 74LS373, lecz posiada inny układ wyprowadzeń.

Własności:

Wewnętrzna sieć logiczna układu 74LS573

Tabelka funkcji układu 74LS573

OE LE D Q
0 1 1 1
0 1 0 0
0 0 X Q0
1 X X Z
X – wartość dowolna
Q0 – stan tuż przed przejściem LE z 1 na 0
Z – stan wysokiej impedancji

Obudowa DIL-20

Wybrane parametry elektryczne

  Opis parametru 74LS573 Jednostka
VCC Napięcie zasilania 4,75...5,25 V
VIH Napięcie wejściowe dla stanu 1 2 V
VIL Napięcie wejściowe dla stanu 0 0,8 V
VOH Napięcie wyjściowe dla stanu 1 2,4...3,4 V
VOL Napięcie wyjściowe dla stanu 0 0,35...0,5 V
IIH Prąd wejściowy w stanie 1 20 µA
IIL Prąd wejściowy w stanie 0 -0,4 mA
IOH Prąd wyjściowy w stanie 1 -2,6 mA
IOL Prąd wyjściowy w stanie 0 24 mA
ICC Prąd zasilania 24...40 mA
TA Zakres temperatur pracy 0...70 °C
tw Szerokość impulsu LE 15 ns
tSU Czas ustawiania 5 ns
tH Czas podtrzymania 20 ns
tP Czas propagacji D → Q 18...27 ns
Czas propagacji LE → Q 30...36
tPZH Czas włączenia na poziom wysoki OE → Q 28...36 ns
tPZL Czas włączenia na poziom niski OE → Q 36...50 ns
tPHZ Czas wyłączenia z poziomu wysokiego OE → Q 20 ns
tPLZ Czas wyłączenia z poziomu niskiego OE → Q 25 ns

do podrozdziału  do strony 

Zespół Przedmiotowy
Chemii-Fizyki-Informatyki

w I Liceum Ogólnokształcącym
im. Kazimierza Brodzińskiego
w Tarnowie
ul. Piłsudskiego 4
©2026 mgr Jerzy Wałaszek

Materiały tylko do użytku dydaktycznego. Ich kopiowanie i powielanie jest dozwolone pod warunkiem podania źródła oraz niepobierania za to pieniędzy.
Pytania proszę przesyłać na adres email: i-lo@eduinf.waw.pl
Serwis wykorzystuje pliki cookies. Jeśli nie chcesz ich otrzymywać, zablokuj je w swojej przeglądarce.

Informacje dodatkowe.