Serwis Edukacyjny
w I-LO w Tarnowie
Do strony głównej I LO w Tarnowie

Materiały dla uczniów liceum
 

  Wyjście       Spis treści       Wstecz       Dalej  

obrazek

Autor artykułu: mgr Jerzy Wałaszek

©2026 mgr Jerzy Wałaszek

7457 – dzielnik częstotliwości 1:60

7457

Opis

Układ 7457 zawiera trzy liczniki A, B i C, które dzielą częstotliwość impulsów zegarowych odpowiednio przez A: 6, B:5 i C: 2. Wejście zegarowe licznika C jest sprzężone wewnętrznie z wyjściem licznika B, co pozwala dzielić częstotliwość impulsów zegarowych przez 10. Dzielnik 7457 stosowany jest do wytwarzania impulsów o częstotliwości 1 Hz ze standardowej częstotliwości amerykańskiej 60Hz.

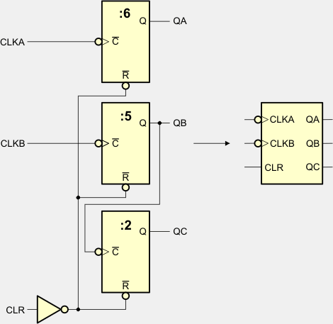
Schemat blokowy układu jest następujący:

obrazek

Liczniki A, B i C zliczają impulsy zegarowe przy zboczu ujemnym (1 → 0). Przebiegi sygnałów są następujące:

obrazek

Układ dzielnika 7457 pozwala dzielić częstotliwość impulsów wejściowych przez 6, 10, 30 i 60:

obrazek       obrazek
obrazek   obrazek

Obudowa DIL-8

obrazek

Wybrane parametry elektryczne

  Opis parametru 54LS57 74LS57 Jednostka
VCC Napięcie zasilania 4,5...5,5 4,75...5,25 V
VIH Napięcie wejściowe dla stanu 1 2 2 V
VIL Napięcie wejściowe dla stanu 0 0,7 0,8 V
VOH Napięcie wyjściowe dla stanu 1 2,5...3,4 2,7...3,4 V
VOL Napięcie wyjściowe dla stanu 0 0,25...0,4 0,25...0,5 V
IIH Prąd wejściowy w stanie 1, CLKA i CLKB 80 80 µA
Prąd wejściowy w stanie 1, CLR 20 20
IIL Prąd wejściowy w stanie 0, CLKA i CLKB -3,2 -3,2 mA
Prąd wejściowy w stanie 0, CLR -0,2 -0,2
IOH Prąd wyjściowy w stanie 1 -1 -1 mA
IOL Prąd wyjściowy w stanie 0 8 16 mA
ICC Prąd zasilania 17...30 17...30 mA
TA Zakres temperatur pracy -55...125 0...70 °C
fmax Maksymalna częstotliwość CLKA i CLKB 15...25 15...25 MHz

do podrozdziału  do strony 

Zespół Przedmiotowy
Chemii-Fizyki-Informatyki

w I Liceum Ogólnokształcącym
im. Kazimierza Brodzińskiego
w Tarnowie
ul. Piłsudskiego 4
©2026 mgr Jerzy Wałaszek

Materiały tylko do użytku dydaktycznego. Ich kopiowanie i powielanie jest dozwolone pod warunkiem podania źródła oraz niepobierania za to pieniędzy.
Pytania proszę przesyłać na adres email: i-lo@eduinf.waw.pl
Serwis wykorzystuje pliki cookies. Jeśli nie chcesz ich otrzymywać, zablokuj je w swojej przeglądarce.

Informacje dodatkowe.