|
Serwis Edukacyjny w I-LO w Tarnowie
Materiały dla uczniów liceum |
Wyjście Spis treści Wstecz Dalej
Autor artykułu: mgr Jerzy Wałaszek |
©2026 mgr Jerzy Wałaszek
|
![]() |
Wskaźniki 7-segmentowe są stosowane w urządzeniach cyfrowych do wyświetlania cyfr. Wskaźnik zbudowany jest z diod LED, które ułożone są w 7 segmentów. Segmenty oznaczamy literami od a do g:
![]() |
Odpowiednie zapalenie segmentów tworzy kształt cyfr. Poniżej przedstawiony jest sposób wyświetlania poszczególnych cyfr dla kodów wejściowych od 0 do 15. Kody powyżej 9 nie tworzą poprawnych znaków i nie są zwykle wykorzystywane.
![]() |
Wskaźniki 7-mio segmentowe występują w dwóch odmianach:
![]() o wspólnej anodzie |
![]() o wspólnej katodzie |
Różnica polega na tym, iż wyświetlacze o wspólnej anodzie reagują na poziom niski wejść a...g, natomiast wyświetlacze o wspólnej katodzie reagują na poziom wysoki tych wejść. Z tego powodu są produkowane różne rodzaje dekoderów sterujących tymi wskaźnikami.
Układ 7446 jest monolitycznym dekoderem kodu BCD na kod wskaźnika 7-mio segmentowego (ang. BCD to Seven Segment Decoder). Umożliwia on sterowanie wskaźników LED ze wspólną anodą (aktywny stan niski) lub lamp cyfrowych. Dekoder posiada cztery wejścia oznaczone A, B, C i D, na które podajemy kod BCD cyfry dziesiętnej. Na wyjściach a...g typu otwarty kolektor pojawia się stan niski, który powoduje zaświecenie odpowiednich segmentów wskaźnika. Dekoder posiada dodatkowe wejścia/wyjścia:
| LT | – | (ang. Lamp Test) jest wejściem testowym. Podanie stanu niskiego powoduje wymuszenie stanu niskiego na wszystkich wyjściach od a do g, (wejście BI/RBO musi być w stanie wysokim) co odpowiada zapaleniu wszystkich segmentów wskaźnika LED. |
| RBI | – | (ang. Ripple Blanking Input) jest wejściem, które pozwala wygasić zera wiodące, tzn. początkowe zera liczby. Np. zamiast 00234 wyświetlacz będzie pokazywał tylko 234. Jeśli na wejściu tym pojawi się stan niski, a wyświetlaną cyfrą jest 0, to wyjścia a...g przejdą w stan nieaktywny. Dodatkowo wyjście RBO przechodzi w stan niski. Jeśli wyświetlana cyfra jest różna od 0, to zawsze zostanie wyświetlona bez względu na stan wejścia RBI. |
| BI/RBO | – | (ang. Blanking Input / Ripple Blanking Output). Jest to wejście dla sygnału wygaszania zera (BI) lub wyjście dla wygaszania zer nieznaczących (RBO). Jeśli do wejścia BI zostanie doprowadzony stan niski, to wszystkie wyjścia a...g przyjmą stan nieaktywny bez względu na stan pozostałych wejść. Umożliwia to wygaszanie cyfr lub sterowanie intensywnością świecenia wskaźnika przez doprowadzenie sygnału o odpowiednim wypełnieniu. |
![]() |
Typowy układ aplikacyjny dla dekodera 7446 z wygaszaniem zer nieznaczących jest następujący:
![]() |
Wejście sygnału RBI dekodera najstarszej cyfry łączymy z masą, co wymusza na tym wejściu stan niski. Wyjście RBO łączy się z wejściem RBI dekodera kolejnej cyfry. Wejście testowe LT można połączyć z plusem zasilania lub pozostawić niepodłączone. Jeśli nie chcemy korzystać z funkcji wygaszania zer wiodących, to po prostu pozostawiamy wejścia RBI i BI/RBO niepodłączone.
Dekoder 7446 wyświetla cyfry 6 i 9 w sposób uproszczony:
![]() |
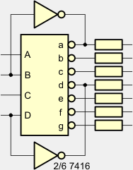
Przez dodanie dwóch inwerterów z wysokonapięciowymi wyjściami typu otwarty kolektor (7416) można poprawić kształt tych cyfr (istnieje również dekoder 74246, który posiada już wbudowaną tę funkcję).
![]() |
![]() |
Wewnętrzna sieć logiczna dekodera 7446 jest następująca:
![]() |
|
Liczba dziesiętna lub funkcja |
Wejścia | BI/RBO | Wyjścia | |||||||||||
| LT | RBI | A | B | C | D | a | b | c | d | e | f | g | ||
| 0 | 1 | 1 | 0 | 0 | 0 | 0 | 1 | 0 | 0 | 0 | 0 | 0 | 0 | 1 |
| 1 | 1 | X | 0 | 0 | 0 | 1 | 1 | 1 | 0 | 0 | 1 | 1 | 1 | 1 |
| 2 | 1 | X | 0 | 0 | 1 | 0 | 1 | 0 | 0 | 1 | 0 | 0 | 1 | 0 |
| 3 | 1 | X | 0 | 0 | 1 | 1 | 1 | 0 | 0 | 0 | 0 | 1 | 1 | 0 |
| 4 | 1 | X | 0 | 1 | 0 | 0 | 1 | 1 | 0 | 0 | 1 | 1 | 0 | 0 |
| 5 | 1 | X | 0 | 1 | 0 | 1 | 1 | 0 | 1 | 0 | 0 | 1 | 0 | 0 |
| 6 | 1 | X | 0 | 1 | 1 | 0 | 1 | 1 | 1 | 0 | 0 | 0 | 0 | 0 |
| 7 | 1 | X | 0 | 1 | 1 | 1 | 1 | 0 | 0 | 0 | 1 | 1 | 1 | 1 |
| 8 | 1 | X | 1 | 0 | 0 | 0 | 1 | 0 | 0 | 0 | 0 | 0 | 0 | 0 |
| 9 | 1 | X | 1 | 0 | 0 | 1 | 1 | 0 | 0 | 0 | 1 | 1 | 0 | 0 |
| 10 | 1 | X | 1 | 0 | 1 | 0 | 1 | 1 | 1 | 1 | 0 | 1 | 1 | 0 |
| 11 | 1 | X | 1 | 0 | 1 | 1 | 1 | 1 | 1 | 0 | 0 | 1 | 1 | 0 |
| 12 | 1 | X | 1 | 1 | 0 | 0 | 1 | 1 | 0 | 1 | 1 | 1 | 0 | 0 |
| 13 | 1 | X | 1 | 1 | 0 | 1 | 1 | 0 | 1 | 1 | 0 | 1 | 0 | 0 |
| 14 | 1 | X | 1 | 1 | 1 | 0 | 1 | 1 | 1 | 1 | 0 | 0 | 0 | 0 |
| 15 | 1 | X | 1 | 1 | 1 | 1 | 1 | 1 | 1 | 1 | 1 | 1 | 1 | 1 |
| BI | X | X | X | X | X | X | 0 | 1 | 1 | 1 | 1 | 1 | 1 | 1 |
| RBI | 1 | 0 | 0 | 0 | 0 | 0 | 0 | 1 | 1 | 1 | 1 | 1 | 1 | 1 |
| LT | 0 | X | X | X | X | X | 1 | 0 | 0 | 0 | 0 | 0 | 0 | 0 |
![]() |
| Opis parametru | 5446 | 7446 | Jednostka | |
| VCC | Napięcie zasilania | 4,5...5,5 | 4,75...5,25 | V |
| VIH | Napięcie wejściowe dla stanu 1 | 2 | 2 | V |
| VIL | Napięcie wejściowe dla stanu 0 | 0,8 | 0,8 | V |
| VOH | Napięcie wyjściowe dla stanu 1 | max 30 | max 30 | V |
| VOL | Napięcie wyjściowe dla stanu 0 | 0,3...0,4 | 0,3...0,4 | V |
| IIH | Prąd wejściowy w stanie 1 | 40 | 40 | µA |
| IIL | Prąd wejściowy w stanie 0 | -1,6 | -1,6 | mA |
| IOH | Prąd wyjściowy w stanie 1 | 250 | 250 | µA |
| IOL | Prąd wyjściowy w stanie 0 | 40 | 40 | mA |
| ICC | Prąd zasilania | 64...103 | 64...103 | mA |
| TA | Zakres temperatur pracy | -55...125 | 0...70 | °C |
| tpLH | Czas propagacji z 0 na 1 | 100 | 100 | ns |
| tpHL | Czas propagacji z 1 na 0 | 100 | 100 | ns |
![]() |
Zespół Przedmiotowy Chemii-Fizyki-Informatyki w I Liceum Ogólnokształcącym im. Kazimierza Brodzińskiego w Tarnowie ul. Piłsudskiego 4 ©2026 mgr Jerzy Wałaszek |
Materiały tylko do użytku dydaktycznego. Ich kopiowanie i powielanie jest dozwolone pod warunkiem podania źródła oraz niepobierania za to pieniędzy.
Pytania proszę przesyłać na adres email:
Serwis wykorzystuje pliki cookies. Jeśli nie chcesz ich otrzymywać, zablokuj je w swojej przeglądarce.
Informacje dodatkowe.