|
Serwis Edukacyjny w I-LO w Tarnowie
Materiały dla uczniów liceum |
Wyjście Spis treści Wstecz Dalej
Autor artykułu: mgr Jerzy Wałaszek |
©2026 mgr Jerzy Wałaszek
|
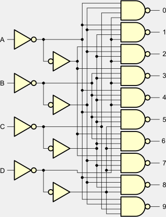
Układ 7444 jest monolitycznym dekoderem kodu Gray'a na kod 1 z 10 (ang. 4-line Gray to 10-line Decimal Decoder). Składa się z ośmiu inwerterów NOT i 10 czterowejściowych bramek NAND. Inwertery pracują w parach, aby dostarczyć odpowiednich sygnałów sterujących dla bramek wyjściowych. Wewnątrz układu wykonywane jest pełne dekodowanie, co zapewnia stan nieaktywny wyjść w przypadku nieprawidłowych stanów wejściowych. Dekoder posiada cztery wejścia oznaczone A, B, C i D oraz 10 wyjść od 0 do 9.
![]() |
Kod Gray'a jest kodem binarnym o tej właości, iż kolejne cyfry różnią się stanem tylko jednego bitu. Dzięki temu kod nadaje się do stosowania w różnych czujnikach położenia.
Na wejścia podajemy cyfrę w kodzie Gray'a. Powoduje to wysterowanie odpowiedniego wyjścia od 0 do 9 w stan niski, jeśli kod wejściowy jest poprawny. W przeciwnym razie wyjścia pozostają w stanie wysokim.
![]() |
| Nr | kod Gray'a | 1 z 10 | ||||||||||||
| A | B | C | D | 0 | 1 | 2 | 3 | 4 | 5 | 6 | 7 | 8 | 9 | |
| 0 | 0 | 0 | 1 | 0 | 0 | 1 | 1 | 1 | 1 | 1 | 1 | 1 | 1 | 1 |
| 1 | 0 | 1 | 1 | 0 | 1 | 0 | 1 | 1 | 1 | 1 | 1 | 1 | 1 | 1 |
| 2 | 0 | 1 | 1 | 1 | 1 | 1 | 0 | 1 | 1 | 1 | 1 | 1 | 1 | 1 |
| 3 | 0 | 1 | 0 | 1 | 1 | 1 | 1 | 0 | 1 | 1 | 1 | 1 | 1 | 1 |
| 4 | 0 | 1 | 0 | 0 | 1 | 1 | 1 | 1 | 0 | 1 | 1 | 1 | 1 | 1 |
| 5 | 1 | 1 | 0 | 0 | 1 | 1 | 1 | 1 | 1 | 0 | 1 | 1 | 1 | 1 |
| 6 | 1 | 1 | 0 | 1 | 1 | 1 | 1 | 1 | 1 | 1 | 0 | 1 | 1 | 1 |
| 7 | 1 | 1 | 1 | 1 | 1 | 1 | 1 | 1 | 1 | 1 | 1 | 0 | 1 | 1 |
| 8 | 1 | 1 | 1 | 0 | 1 | 1 | 1 | 1 | 1 | 1 | 1 | 1 | 0 | 1 |
| 9 | 1 | 0 | 1 | 0 | 1 | 1 | 1 | 1 | 1 | 1 | 1 | 1 | 1 | 0 |
| N | 1 | 0 | 1 | 1 | 1 | 1 | 1 | 1 | 1 | 1 | 1 | 1 | 1 | 1 |
| N | 1 | 0 | 0 | 1 | 1 | 1 | 1 | 1 | 1 | 1 | 1 | 1 | 1 | 1 |
| N | 1 | 0 | 0 | 0 | 1 | 1 | 1 | 1 | 1 | 1 | 1 | 1 | 1 | 1 |
| N | 0 | 0 | 0 | 0 | 1 | 1 | 1 | 1 | 1 | 1 | 1 | 1 | 1 | 1 |
| N | 0 | 0 | 0 | 1 | 1 | 1 | 1 | 1 | 1 | 1 | 1 | 1 | 1 | 1 |
| N | 0 | 0 | 1 | 1 | 1 | 1 | 1 | 1 | 1 | 1 | 1 | 1 | 1 | 1 |
![]() |
| Opis parametru | 5444 | 7444 | 74LS44 | Jednostka | |
| VCC | Napięcie zasilania | 4,5...5,5 | 4,75...5,25 | 4,75...5,25 | V |
| VIH | Napięcie wejściowe dla stanu 1 | 2 | 2 | 2 | V |
| VIL | Napięcie wejściowe dla stanu 0 | 0,8 | 0,8 | 0,8 | V |
| VOH | Napięcie wyjściowe dla stanu 1 | 2,4...3,4 | 2,4...3,4 | 2,7...3,5 | V |
| VOL | Napięcie wyjściowe dla stanu 0 | 0,2...0,4 | 0,2...0,4 | 0,25...0,5 | V |
| IIH | Prąd wejściowy w stanie 1 | 40 | 40 | 20 | µA |
| IIL | Prąd wejściowy w stanie 0 | -1,6 | -1,6 | -0,4 | mA |
| IOH | Prąd wyjściowy w stanie 1 | -0,8 | -0,8 | -0,4 | mA |
| IOL | Prąd wyjściowy w stanie 0 | 16 | 16 | 8 | mA |
| ICC | Prąd zasilania | 28...41 | 28...56 | 7...13 | mA |
| TA | Zakres temperatur pracy | -55...125 | 0...70 | 0...70 | °C |
| tpLH | Czas propagacji z 0 na 1 | 14...30 | 14...30 | 15...30 | ns |
| tpHL | Czas propagacji z 1 na 0 | 10...30 | 10...30 | 15...30 | ns |
![]() |
Zespół Przedmiotowy Chemii-Fizyki-Informatyki w I Liceum Ogólnokształcącym im. Kazimierza Brodzińskiego w Tarnowie ul. Piłsudskiego 4 ©2026 mgr Jerzy Wałaszek |
Materiały tylko do użytku dydaktycznego. Ich kopiowanie i powielanie jest dozwolone pod warunkiem podania źródła oraz niepobierania za to pieniędzy.
Pytania proszę przesyłać na adres email:
Serwis wykorzystuje pliki cookies. Jeśli nie chcesz ich otrzymywać, zablokuj je w swojej przeglądarce.
Informacje dodatkowe.