|
Serwis Edukacyjny w I-LO w Tarnowie
Materiały dla uczniów liceum |
Wyjście Spis treści Wstecz Dalej
Autor artykułu: mgr Jerzy Wałaszek |
©2026 mgr Jerzy Wałaszek
|
![]() |
Układ 74371 zawiera pamięć ROM (ang. Read Only Memory) o organizacji 256 x 8 bitów. Zawartość pamięci ROM jest ustalana na etapie produkcji. Z tego powodu wykorzystanie tych pamięci w warunkach amatorskich jest problematyczne – producenci mogą zamawiać pamięci o określonej zawartości, co jest opłacalne przy produkcji wielkoseryjnej. Amatorzy zwykle korzystają z pamięci PROM (ang. Programable Read Only Memory) lub EPROM (ang. Erasable Programmable Read Only Memory). Pamięci PROM i EPROM można samodzielnie programować w odpowiednich programatorach. Pamięć PROM po zaprogramowaniu nie może już być zmieniana, ponieważ programowanie polega na trwałym przepaleniu wewnętrznych ścieżek. Pamięć EPROM da się wykasować, np. za pomocą lampy UV, po czym można ją ponownie zaprogramować.
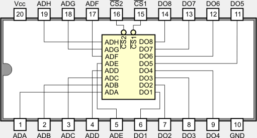
Pamięć posiada 8 wyjść danych: DO1...DO8, 8 wejść adresowych: ADA...ADH oraz dwa wejścia wybierające CS1 i CS2. Wszystkie wyjścia danych są trójstanowe, dzięki czemu możemy łatwo łączyć ze sobą wyjścia z innych pamięci. Wyjście trójstanowe może znajdować się w trzech różnych stanach:
W stanie wysokiej impedancji wyjście jest praktycznie odłączone i pobiera tylko mały prąd (ok. 50 µA). Wyjścia trójstanowe można łączyć ze sobą, jednakże w danej chwili tylko jedno z nich powinno przyjmować stany logiczne, pozostałe wyjścia powinny być w stanie wysokiej impedancji.
Układ pamięci uaktywnia się przy obu sygnałach CS1 i CS2 równych 0. Dane wyjściowe pojawiają się po podaniu adresu na wejścia adresowe, gdy układ jest aktywny. Adres komórki jest liczbą binarną w naturalnym kodzie dwójkowym. Gdy jeden z sygnałów CS1 i CS2 ma poziom logiczny 1, wyjścia pamięci znajdują się w stanie wysokiej impedancji.
Struktura wewnętrzna pamięci 74371 jest następująca:
![]() |
![]() |
| Opis parametru | 54S371 | 743271 | Jednostka | |
| VCC | Napięcie zasilania | 4,5...5,5 | 4,75...5,25 | V |
| VIH | Napięcie wejściowe dla stanu 1 | 2 | 2 | V |
| VIL | Napięcie wejściowe dla stanu 0 | 0,8 | 0,8 | V |
| VOH | Napięcie wyjściowe dla stanu 1 | 2,4 | 2,4 | V |
| VOL | Napięcie wyjściowe dla stanu 0 | 0,5 | 0,5 | V |
| IIH | Prąd wejściowy w stanie 1 | 25 | 25 | µA |
| IIL | Prąd wejściowy w stanie 0 | -0,25 | -0,25 | mA |
| IOH | Prąd wyjściowy w stanie 1 | -2 | -6,5 | mA |
| IOL | Prąd wyjściowy w stanie 0 | 16 | 16 | mA |
| IOZH | Prąd wyjściowy w stanie wysokiej
impedancji przy przyłożonym napięciu poziomu 1 |
50 | 50 | µA |
| IOZL | Prąd wyjściowy w stanie wysokiej
impedancji przy przyłożonym napięciu poziomu 0 |
-50 | -50 | µA |
| ICC | Prąd zasilania | 105...155 | 105...155 | mA |
| TA | Zakres temperatur pracy | -55...125 | 0...70 | °C |
| ta(CS) | Czas uaktywnienia układu | 15...45 | 15...30 | ns |
| ta(ad) | Czas dostępu do danych | 45...95 | 45...70 | ns |
| tPXZ | Czas wejścia w stan wysokiej impedancji | 10...40 | 10...25 | ns |
![]() |
Zespół Przedmiotowy Chemii-Fizyki-Informatyki w I Liceum Ogólnokształcącym im. Kazimierza Brodzińskiego w Tarnowie ul. Piłsudskiego 4 ©2026 mgr Jerzy Wałaszek |
Materiały tylko do użytku dydaktycznego. Ich kopiowanie i powielanie jest dozwolone pod warunkiem podania źródła oraz niepobierania za to pieniędzy.
Pytania proszę przesyłać na adres email:
Serwis wykorzystuje pliki cookies. Jeśli nie chcesz ich otrzymywać, zablokuj je w swojej przeglądarce.
Informacje dodatkowe.