Serwis Edukacyjny
w I-LO w Tarnowie
Do strony głównej I LO w Tarnowie

Materiały dla uczniów liceum
 

  Wyjście       Spis treści       Wstecz       Dalej  

obrazek

Autor artykułu: mgr Jerzy Wałaszek

©2026 mgr Jerzy Wałaszek

74208 – pamięć 1024-bitowa RAM (256 x 4b) z wyjściami trójstanowymi

74208

Oznaczenie graficzne pamięci typu 74208

obrazek

Opis pamięci 74208

Układ 74208 zawiera szybką pamięć RAM zorganizowaną w 256 słów 4-bitowych (ang. 256 x 4Bit RAM). Wyjście pamięci jest trójstanowe. Takie rozwiązanie pozwala łączyć pamięci 74208 w większe bloki.

Znaczenie wejść/wyjść układu jest następujące:

D0...D3 wejścia danych
A0...A7 wejścia adresowe
OE uaktywnienie wyjść. W stanie niskim wyjścia znajdują się w stanie wysokiej impedancji
WE stan niski powoduje zapis do pamięci danych z wejść D0...D3 pod adres ustawiony na wejściach A0...A7.
Q0...Q3 wyjścia trójstanowe

Procedura zapisu 4 bitów do pamięci jest następująca:

  1. Umieść adres na liniach A0...A7.
  2. Na wejścia D0...D3 podaj 4 bity do zapisu.
  3. Wprowadź wejście WE w stan niski na co najmniej 50 ns.

Procedura odczytu 4 bitów z pamięci jest następująca:

  1. Na wejściu WE umieść stan wysoki 1 (to normalny stan tego wejścia).
  2. Ustaw wejście OE w stan wysoki, aby uaktywnić wyjścia Q.
  3. Umieść adres na liniach A0...A7.
  4. Odczekaj co najmniej 50 ns.
  5. Odczytaj dane z wyjść Q.

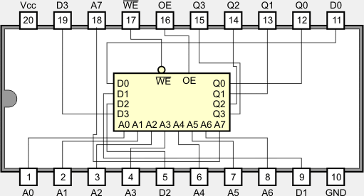
Obudowa DIL-20

obrazek

Wybrane parametry elektryczne

Brak danych


do podrozdziału  do strony 

Zespół Przedmiotowy
Chemii-Fizyki-Informatyki

w I Liceum Ogólnokształcącym
im. Kazimierza Brodzińskiego
w Tarnowie
ul. Piłsudskiego 4
©2026 mgr Jerzy Wałaszek

Materiały tylko do użytku dydaktycznego. Ich kopiowanie i powielanie jest dozwolone pod warunkiem podania źródła oraz niepobierania za to pieniędzy.
Pytania proszę przesyłać na adres email: i-lo@eduinf.waw.pl
Serwis wykorzystuje pliki cookies. Jeśli nie chcesz ich otrzymywać, zablokuj je w swojej przeglądarce.

Informacje dodatkowe.