|
Serwis Edukacyjny w I-LO w Tarnowie
Materiały dla uczniów liceum |
Wyjście Spis treści Wstecz Dalej
Autor artykułu: mgr Jerzy Wałaszek |
©2026 mgr Jerzy Wałaszek
|
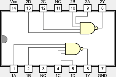
![]() |
Układ 7420 zawiera dwie czterowejściowe bramki uniwersalne NAND (ang. Dual 4-input NAND gate), które realizują funkcję zaprzeczonego iloczynu logicznego:

| A | B | C | D | Y |
| 1 | 1 | 1 | 1 | 0 |
| 0 | X | X | X | 1 |
| X | 0 | X | X | 1 |
| X | X | 0 | X | 1 |
| X | X | X | 0 | 1 |
![]()
5420J |
![]() 5420W |
| Opis parametru | 5420 | 7420 | 74LS20 | 74S20 | 74AC20 | 74ACT20 | 74HC20 | 74HCT20 | Jednostka | |
| VCC | Napięcie zasilania | 4,5...5,5 | 4,75...5,25 | 4,75...5,25 | 4,75...5,25 | 2...6 | 4,5...5,5 | 2...6 | 4,5...5,5 | V |
| VIH | Napięcie wejściowe dla stanu 1 | 2 | 2 | 2 | 2 | 0,7VCC | 2 | 0,7VCC | 2...5,5 | V |
| VIL | Napięcie wejściowe dla stanu 0 | 0,8 | 0,8 | 0,8 | 0,8 | 0,3VCC | 0,8 | 0,3VCC | 0...0,8 | V |
| VOH | Napięcie wyjściowe dla stanu 1 | 2,4...3,4 | 2,4...3,4 | 2,7...3,4 | 2,7...3,4 | 0,9VCC | 4,4...5,5 | 0,9VCC | 4,4 | V |
| VOL | Napięcie wyjściowe dla stanu 0 | 0,2...0,4 | 0,2...0,4 | 0,25...0,5 | 0,5 | 0,1...0,44 | 0,1...0,5 | 0,1...0,33 | 0,1...0,4 | V |
| IIH | Prąd wejściowy w stanie 1 | 40 | 40 | 20 | 50 | 0,1...1 | 0,1...1 | 0,1...1 | 0,1...1 | µA |
| IIL | Prąd wejściowy w stanie 0 | -1,6 | -1,6 | -0,4 | -2 | -0,1...-1µA | -0,1...-1µA | -0,1...-1µA | -0,1...-1µA | mA |
| IOH | Prąd wyjściowy w stanie 1 | -0,4 | -0,4 | -0,4 | -1 | -50 | -50 | -1 | -25 | mA |
| IOL | Prąd wyjściowy w stanie 0 | 16 | 16 | 8 | 20 | 50 | 50 | 1 | 25 | mA |
| ICCH | Prąd zasilania w stanie wysokim | 2...4 | 2...4 | 0,4...0,8 | 5...8 | 4...40µA(1) | 4...80µA(1) | 20µA(1) | 2...40µA(1) | mA |
| ICCL | Prąd zasilania w stanie niskim | 6...11 | 6...11 | 1,2...2,2 | 10...18 | 4...40µA(1) | 4...80µA(1) | 20µA(1) | 2...40µA(1) | mA |
| TA | Zakres temperatur pracy | -55...125 | 0...70 | 0...70 | 0...70 | -40...85 | -55...125 | -40...85 | -40...125 | °C |
| tpLH | Czas propagacji z 0 na 1 | 12...22 | 12...22 | 9...15 | 3...5 | 1,5...9 | 1...9,5 | 24...28 | 18...27 | ns |
| tpHL | Czas propagacji z 1 na 0 | 8...15 | 8...15 | 10...15 | 4,5...5 | 1,5...7 | 1...9,5 | 24...28 | 18...27 | ns |
![]() |
Zespół Przedmiotowy Chemii-Fizyki-Informatyki w I Liceum Ogólnokształcącym im. Kazimierza Brodzińskiego w Tarnowie ul. Piłsudskiego 4 ©2026 mgr Jerzy Wałaszek |
Materiały tylko do użytku dydaktycznego. Ich kopiowanie i powielanie jest dozwolone pod warunkiem podania źródła oraz niepobierania za to pieniędzy.
Pytania proszę przesyłać na adres email:
Serwis wykorzystuje pliki cookies. Jeśli nie chcesz ich otrzymywać, zablokuj je w swojej przeglądarce.
Informacje dodatkowe.