Serwis Edukacyjny
w I-LO w Tarnowie
Do strony głównej I LO w Tarnowie

Materiały dla uczniów liceum
 

  Wyjście       Spis treści       Wstecz       Dalej  

obrazek

Autor artykułu: mgr Jerzy Wałaszek

©2026 mgr Jerzy Wałaszek

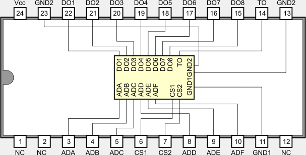
74186 – 512 bitowa pamięć PROM (64 x 8b) z wyjściami typu otwarty kolektor

74186

Oznaczenie pamięci typu 74186

obrazek

Opis

Układ 74186 jest 512 bitową programowalną pamięcią stałą o organizacji 64 słowa po 8 bitów każde (ang. 64 Word by 8 Bits PROM). Układ zawiera bezpieczniki tytanowo-wolframowe, których czas przepalenia przy programowaniu wynosi około 1 milisekundy. Układ posiada następujące wejścia/wyjścia:

CS1,CS2 wejścia uaktywniające pamięć – staje się aktywna przy podaniu stanu wysokiego 1 na oba wejścia.
ADA...ADF wejścia adresowe. Przy normalnym działaniu podaje się na nie sygnały o poziomie TTL (0 – 0,4...0,8V; 1 – 2,4 ...5V). Przy programowaniu poziomy się zmieniają (0 – -5 ... -6V – zwarte do GND1; 1 – wejście niepodłączone).
DO1...DO8 wyjścia danych z komórek adresowanych wejściami ADA...ADF (64 słowa).
GND1 masa "programowania" – przy normalnym działaniu połączona jest z normalną masą układu. Przy programowaniu podaje się na nią napięcie ujemne -5 ... -6 V
GND2 masa układu o poziomie 0V.
TO wyjście testowe o nieokreślonej logice – używane jest w zakładzie produkującym pamięć.

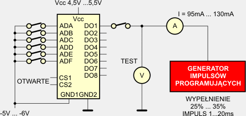
Procedura programowania pamięci 74186

Układ 74186 programuje się bit po bicie dla każdego słowa pamięci. Programowaniu podlegają te bity, które mają zmienić stan z 0 na 1. Programowanie przeprowadza się w specjalnym układzie programatora, którego uproszczony schemat wygląda następująco:

obrazek

Widoczne na schemacie włączniki mogą być zrealizowane za pomocą układów elektronicznych, np. tranzystora z otwartym kolektorem bez oporników podciągających.

  1. Ustaw adres programowanego bajtu na liniach adresowych AD. Stan 1 odpowiada niepodłączeniu linii, stan zero odpowiada zwarciu do masy GND1, na której panuje napięcie ujemne -5...-6V. Wyjścia DO powinny być rozłączone.
  2. Zastosowuj impuls o czasie trwania od 1...20ms o napięciu nie przekraczającym -0,5V względem masy GND1 dla bitu, który ma przyjąć wartość logiczną 1 (bity o wartości 0 nie należy uwzględniać w tej procedurze). Tak przyłożone napięcie programujące z generatora spowoduje przepalenie się bezpiecznika tytanowo-wolframowego wewnątrz matrycy pamięci. Od tego momentu dany bit przyjmie stan 1 i nie będzie można tego stanu już zmienić.
  3. Zweryfikuj poziom napięcia wyjściowego na zaprogramowanej linii DO. Jeśli wciąż wynosi 1, powtórz punkt 2. Bezpiecznik przepala się zwykle po 1ms, 10ms gwarantuje przepalenie się bezpiecznika.
  4. Powtarzaj kroki 2 i 3 dla kolejnych bitów słowa, które mają przyjąć stan 1. Bity o wartości 0 nie powinny być podłączane do generatora.
  5. Ustaw kolejny adres słowa do zaprogramowania i powtórz kroki 2, 3 i 4 aż cała pamięć zostanie zaprogramowana.

Do programowania pamięci 74186 najlepiej użyć dedykowanego programatora współpracującego z komputerem PC. W ostateczności, zaawansowani użytkownicy mogą sami zbudować taki programator w oparciu o mikrokontroler. Jednakże w dzisiejszych czasach pamięci PROM są wypierane przez pamięci EEPROM, które można wymazywać i wielokrotnie programować. Większość współczeych mikrokontrolerów jednoukładowych (PIC, AVR) zawiera takie pamięci do przechowywania danych nieulotnych.

Obudowa DIL-24

obrazek

Wybrane parametry elektryczne

  Opis parametru 54186 74186 Jednostka
VCC Napięcie zasilania 4,5...5,5 4,75...5,25 V
VGND1 Napięcie na GND1 przy programowaniu -5...-6 -5...-6 V
VADH Napięcie wysokie na liniach AD przy programowaniu NC NC  
VADL Napięcie niskie na liniach AD przy programowaniu VGND1 VGND1 V
VO Napięcie na liniach DO przy programowaniu VGND1-0,5 VGND1-0,5 V
IO Prąd programujący na linii DO -95...-130 -95...-130 mA
tp Czas trwania impulsu programującego 1...20 1...20 ms
Tp Temperatura programowania 0...55 0...55 °C
VIH Napięcie wejściowe dla stanu 1 2 2 V
VIL Napięcie wejściowe dla stanu 0 0,8 0,8 V
VOH Napięcie wyjściowe dla stanu 1 2,4...3,5 2,4...3,5 V
VOL Napięcie wyjściowe dla stanu 0 0,4 0,4 V
IIH Prąd wejściowy w stanie 1 40 40 µA
IIL Prąd wejściowy w stanie 0 -1 -1 mA
IOH Prąd wyjściowy w stanie 1 0,1...0,2 0,1...0,2 mA
IOL Prąd wyjściowy w stanie 0 12 12 mA
ICC Prąd zasilania Oba wejścia CS na 0V 47...95 47...95 mA
Oba wejścia CS na 4,5V 80...120 80...120
TA Zakres temperatur pracy -55...125 0...70 °C
ta(AD) Czas dostępu z linii AD 50...75 50...75 ns
ta(CS) Czas dostępu z linii CS 55...75 55...75 ns

do podrozdziału  do strony 

Zespół Przedmiotowy
Chemii-Fizyki-Informatyki

w I Liceum Ogólnokształcącym
im. Kazimierza Brodzińskiego
w Tarnowie
ul. Piłsudskiego 4
©2026 mgr Jerzy Wałaszek

Materiały tylko do użytku dydaktycznego. Ich kopiowanie i powielanie jest dozwolone pod warunkiem podania źródła oraz niepobierania za to pieniędzy.
Pytania proszę przesyłać na adres email: i-lo@eduinf.waw.pl
Serwis wykorzystuje pliki cookies. Jeśli nie chcesz ich otrzymywać, zablokuj je w swojej przeglądarce.

Informacje dodatkowe.