|
Serwis Edukacyjny w I-LO w Tarnowie
Materiały dla uczniów liceum |
Wyjście Spis treści Wstecz Dalej
Autor artykułu: mgr Jerzy Wałaszek |
©2026 mgr Jerzy Wałaszek
|
![]() Logika dodatnia |
![]() Logika ujemna |
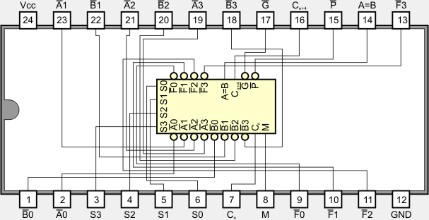
Układ 74181 realizuje funkcje jednostki arytmetyczno-logicznej (ang. Arithmetic Logic Unit) i funkcjonalnie odpowiada 63 bramkom logicznym. Układ potrafi wykonywać 16 operacji logicznych i arytmetycznych na dwóch danych 4-bitowych (wiele z nich jest bezużyteczne w praktyce!). Przy równoległej współpracy większej liczby jednostek arytmetyczno-logicznych stosuje się układy generacji przeniesień równoległych 74182, które znacznie przyspieszają wykonywanie obliczeń. Układ 74181 może pracować w logice dodatniej (stanem aktywnym jest 1) lub ujemnej (stanem aktywnym jest 0). Zmienia się wtedy interpretacja sygnałów wejściowych i wyjściowych.
Jednostka arytmetyczno-logiczna była kiedyś stosowana przy realizacji układów procesorowych do programowego wykonywania operacji logicznych i arytmetycznych. Dzisiaj, w dobie mikrokontrolerów jednoukładowych, jej zastosowanie jest znacznie ograniczone i sprowadza się zwykle do dydaktyki informatyki. W latach 70-tych ubiegłego wieku układ 74181 był stosowany w wielu minikomputerach, np. w słynnym Xerox Alto z graficznym interfejsem użytkownika:

Poniżej opisujemy funkcje wejść i wyjść tego układu:
| A0...A3 | – | 4 bity pierwszego argumentu A do przetworzenia w jednostce arytmetyczno-logicznej. Przy logice ujemnej bity są traktowane jako zaprzeczenia (negacje) bitów argumentu wejściowego. Dla operacji arytmetycznych A0 oznacza najmłodszy bit argumentu A, a A3 najstarszy. | ||||||||||||||
| B0...B3 | – | 4 bity drugiego argumentu B do przetworzenia w jednostce arytmetyczno-logicznej. Przy logice ujemnej bity są traktowane jako zaprzeczenia (negacje) bitów argumentu wejściowego. Dla operacji arytmetycznych B0 oznacza najmłodszy bit argumentu B, a B3 najstarszy. | ||||||||||||||
| M | – | wejście wyboru trybu pracy (ang. Mode). W stanie niskim 0 zostają uaktywnione wewnętrzne przeniesienia i układ wykonuje operacje arytmetyczne słowach A i B traktowanych jako dane 4-bitowe. W stanie wysokim 1 wewnętrzne przeniesienia są zablokowane i układ wykonuje operacje logiczne na odpowiadających sobie bitach argumentów A i B, wynik otrzymujemy na odpowiadających im bitach F. | ||||||||||||||
| S0...S3 | – | wybór rodzaju operacji wykonywanej przez jednostkę arytmetyczno-logiczną. | ||||||||||||||
| Cn | – | wejście zanegowanego bitu przeniesienia z poprzedniej kaskady. W zależności od przyjętej logiki sygnał ten jest oznaczany jako Cn (przeniesienie jest uwzględniane w operacjach arytmetycznych przy stanie 0) lub Cn (przeniesienie jest uwzględniane przy stanie 1). | ||||||||||||||
| F0...F3 | – | wyjścia wyniku operacji przeprowadzonej na bitach argumentu A i B. Przy operacjach arytmetycznych F0 jest najmłodszym bitem, a F3 najstarszym. Przy logice ujemnej bity te są traktowane jako zaprzeczenia bitów wynikowych. | ||||||||||||||
| Cn+4 | – | wyjście przeniesienia poza bit F3 wyniku. Wyjście to łączy się z wejściem Cn następnej kaskady liczącej, jeśli stosujemy przeniesienia szeregowe. Jednakże należy pamiętać, że każda dekada wprowadza pewne opóźnienie (zaglądnij do materiałów producentów). Wynik ustali się dopiero po czasie równym sumie czasów propagacji poszczególnych dekad liczących. | ||||||||||||||
| A=B | – | wyjście komparatora. Przyjmuje stan
wysoki 1, jeśli wszystkie bity wyjściowe F są w stanie
wysokim 1. Umożliwia to wykonanie porównania danych
wejściowych. JAL ustawiamy w tryb odejmowania A MINUS B
MINUS 1 (M = 0, S = 0110,
Cn
= 1). Wtedy przy A = B wyjścia F przyjmują stan
wysoki 1 i na wyjściu A=B pojawi się 1. Wyjście jest
typu otwarty kolektor. Dodatkowo badając stan wyjścia Cn+4
możemy określić relację pomiędzy danymi A i B:
|
||||||||||||||
| X-Y/G-P | – | wyjścia przeniesień równoległych.
Wyjścia te wykorzystuje się do sterowania układu 74182,
który na ich podstawie generuje przeniesienia Cn
dla kolejnych kaskad liczących. Dzięki temu wzrasta
znacznie szybkość wykonywania operacji arytmetycznych.
Oznaczenia X-Y używamy w logice dodatniej, a oznaczenia
G-P
w logice ujemnej.
G –
wyjście przeniesienia generowanego |
||||||||||||||
| Funkcja | M = 1 | M = 0 | ||||
| S3 | S2 | S1 | S0 | Cn= 1 | Cn= 0 | |
| 0 | 0 | 0 | 0 |
![]() |
![]() |
![]() |
| 0 | 0 | 0 | 1 |
![]() |
![]() |
![]() |
| 0 | 0 | 1 | 0 |
![]() |
![]() |
![]() |
| 0 | 0 | 1 | 1 |
![]() |
![]() |
![]() |
| 0 | 1 | 0 | 0 |
![]() |
![]() |
![]() |
| 0 | 1 | 0 | 1 |
![]() |
![]() |
![]() |
| 0 | 1 | 1 | 0 |
![]() |
![]() |
![]() |
| 0 | 1 | 1 | 1 |
![]() |
![]() |
![]() |
| 1 | 0 | 0 | 0 |
![]() |
![]() |
![]() |
| 1 | 0 | 0 | 1 |
![]() |
![]() |
![]() |
| 1 | 0 | 1 | 0 |
![]() |
![]() |
![]() |
| 1 | 0 | 1 | 1 |
![]() |
![]() |
![]() |
| 1 | 1 | 0 | 0 |
![]() |
![]() |
![]() |
| 1 | 1 | 0 | 1 |
![]() |
![]() |
![]() |
| 1 | 1 | 1 | 0 |
![]() |
![]() |
![]() |
| 1 | 1 | 1 | 1 |
![]() |
![]() |
![]() |
| Dla M = 1 układ realizuje funkcje logiczne, a dla M
= 0 funkcje arytmetyczne. Cn= 1 oznacza brak przeniesienia, Cn= 0 oznacza przeniesienie + oznacza operację logiczną LUB/alternatywa plus/minus oznacza operacje arytmetyczne dodawania/odejmowania |
| Funkcja | M = 1 | M = 0 | ||||
| S3 | S2 | S1 | S0 | Cn= 0 | Cn= 1 | |
| 0 | 0 | 0 | 0 |
![]() |
![]() |
![]() |
| 0 | 0 | 0 | 1 |
![]() |
![]() |
![]() |
| 0 | 0 | 1 | 0 |
![]() |
![]() |
![]() |
| 0 | 0 | 1 | 1 |
![]() |
![]() |
![]() |
| 0 | 1 | 0 | 0 |
![]() |
![]() |
![]() |
| 0 | 1 | 0 | 1 |
![]() |
![]() |
![]() |
| 0 | 1 | 1 | 0 |
![]() |
![]() |
![]() |
| 0 | 1 | 1 | 1 |
![]() |
![]() |
![]() |
| 1 | 0 | 0 | 0 |
![]() |
![]() |
![]() |
| 1 | 0 | 0 | 1 |
![]() |
![]() |
![]() |
| 1 | 0 | 1 | 0 |
![]() |
![]() |
![]() |
| 1 | 0 | 1 | 1 |
![]() |
![]() |
![]() |
| 1 | 1 | 0 | 0 |
![]() |
![]() |
![]() |
| 1 | 1 | 0 | 1 |
![]() |
![]() |
![]() |
| 1 | 1 | 1 | 0 |
![]() |
![]() |
![]() |
| 1 | 1 | 1 | 1 |
![]() |
![]() |
![]() |
| Dla M = 1 układ realizuje funkcje logiczne, a dla M
= 0 funkcje arytmetyczne. Cn= 0 oznacza brak przeniesienia, Cn= 1 oznacza przeniesienie + oznacza operację logiczną LUB/alternatywa plus/minus oznacza operacje arytmetyczne dodawania/odejmowania |
![]() |
![]() |
| Opis parametru | 54181 | 74181 | Jednostka | ||
| VCC | Napięcie zasilania | 4,5...5,5 | 4,75...5,25 | V | |
| VIH | Napięcie wejściowe dla stanu 1 | 2 | 2 | V | |
| VIL | Napięcie wejściowe dla stanu 0 | 0,8 | 0,8 | V | |
| VOH | Napięcie wyjściowe dla stanu 1 (za wyjątkiem A=B) | 2,4...3,4 | 2,4...3,4 | V | |
| VOL | Napięcie wyjściowe dla stanu 0 | 0,2...0,4 | 0,2...0,4 | V | |
| IIH | Prąd wejściowy w stanie 1 | M | 40 | 40 | µA |
| A/B | 120 | 120 | |||
| S | 160 | 160 | |||
| C | 200 | 200 | |||
| IIL | Prąd wejściowy w stanie 0 | M | -1,6 | -1,6 | mA |
| A/B | -4,8 | -4,8 | |||
| S | -6,4 | -6,4 | |||
| C | -8 | -8 | |||
| IOH | Prąd wyjściowy w stanie 1 (za wyjątkiem A=B) | -0,8 | -0,8 | mA | |
| IOH | Prąd wyjściowy w stanie 1 (tylko A=B) | 0,25 | 0,25 | mA | |
| IOL | Prąd wyjściowy w stanie 0 | 16 | 16 | mA | |
| ICC | Prąd zasilania | 88...135 | 88...150 | mA | |
| TA | Zakres temperatur pracy | -55...125 | 0...70 | °C | |
![]() |
Zespół Przedmiotowy Chemii-Fizyki-Informatyki w I Liceum Ogólnokształcącym im. Kazimierza Brodzińskiego w Tarnowie ul. Piłsudskiego 4 ©2026 mgr Jerzy Wałaszek |
Materiały tylko do użytku dydaktycznego. Ich kopiowanie i powielanie jest dozwolone pod warunkiem podania źródła oraz niepobierania za to pieniędzy.
Pytania proszę przesyłać na adres email:
Serwis wykorzystuje pliki cookies. Jeśli nie chcesz ich otrzymywać, zablokuj je w swojej przeglądarce.
Informacje dodatkowe.