Serwis Edukacyjny
w I-LO w Tarnowie
obrazek

Materiały dla uczniów liceum
 

  Wyjście       Spis treści       Wstecz       Dalej  

obrazek

Autor artykułu: mgr Jerzy Wałaszek

©2026 mgr Jerzy Wałaszek

7418 – dwie czterowejściowe bramki NAND z wejściami Schmitta

7418

Oznaczenie graficzne bramki NOT typu 7418

obrazek

Opis

Układ 7418 zawiera dwie niezależne czterowejściowe bramki NAND z wejściami Schmitta (ang. Dual 4-input positive-NAND Schmitt triggers), które realizują funkcję zaprzeczenia iloczynu logicznego:

obrazek

Każda z bramek NAND w układzie 7418 spełnia funkcję logiczną zwykłej bramki NAND, lecz z powodu wyposażenia ich w wejścia Schmitta posiadają one inne progi przełączania dla sygnałów roących i malejących. Wejście Schmitta może być sterowane przez sygnały, które bardzo wolno narastają lub opadają, nie dając zakłóceń na wyjściu, co zdarza się zwykłym bramkom.

Tabelka stanów bramki NOT typu 7418

A B C D Y
1 1 1 1 0
0 X X X 1
X 0 X X 1
X X 0 X 1
X X X 0 1

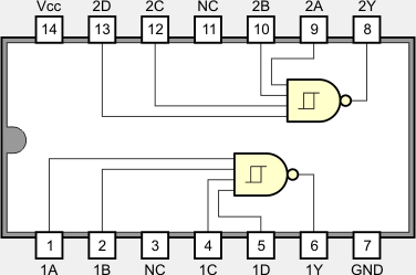
Obudowa DIL-14

obrazek

Wybrane parametry elektryczne

  Opis parametru 5418 7418 Jednostka
VCC Napięcie zasilania 4,5...5,5 4,75...5,25 V
VT+ Napięcie progowe zbocza narastającego 1,5...2 1,5...2 V
VT- Napięcie progowe zbocza opadającego 0,6...1,1 0,6...1,1 V
VH Histereza: VT+ VT- 0,4...0,8 0,4...0,8 V
VOH Napięcie wyjściowe dla stanu 1 2,4...3,4 2,4...3,4 V
VOL Napięcie wyjściowe dla stanu 0 0,2...0,4 0,2...0,4 V
IIH Prąd wejściowy w stanie 1 40 40 µA
IIL Prąd wejściowy w stanie 0 -1...-1,6 -1...-1,6 mA
IOH Prąd wyjściowy w stanie 1 -0,8 -0,8 mA
IOL Prąd wyjściowy w stanie 0 16 16 mA
ICCH Prąd zasilania w stanie wysokim 14...23 14...23 mA
ICCL Prąd zasilania w stanie niskim 20...32 20...32 mA
TA Zakres temperatur pracy -55...125 0...70 °C
tPLH Czas propagacji z 0 na 1 18...27 18...27 ns
tPHL Czas propagacji z 1 na 0 15...22 15...22 ns

do podrozdziału  do strony 

Zespół Przedmiotowy
Chemii-Fizyki-Informatyki

w I Liceum Ogólnokształcącym
im. Kazimierza Brodzińskiego
w Tarnowie
ul. Piłsudskiego 4
©2026 mgr Jerzy Wałaszek

Materiały tylko do użytku dydaktycznego. Ich kopiowanie i powielanie jest dozwolone pod warunkiem podania źródła oraz niepobierania za to pieniędzy.
Pytania proszę przesyłać na adres email: i-lo@eduinf.waw.pl
Serwis wykorzystuje pliki cookies. Jeśli nie chcesz ich otrzymywać, zablokuj je w swojej przeglądarce.

Informacje dodatkowe.