|
Serwis Edukacyjny w I-LO w Tarnowie
Materiały dla uczniów liceum |
Wyjście Spis treści Wstecz Dalej
Autor artykułu: mgr Jerzy Wałaszek |
©2026 mgr Jerzy Wałaszek
|
![]() |
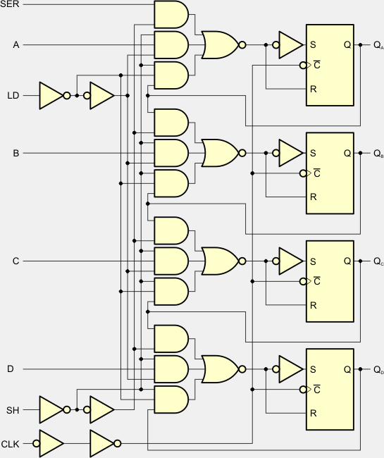
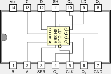
Układ 74178 zawiera 4 bitowy rejestr przesuwający z dostępem równoległym (4-Bit Parralel-Access Shift Register). Wejścia i wyjścia są następujące:
| A...D | – | wejście danych równoległych. |
| QA...QD | – | wyjście danych równoległych |
| SER | – | wejście danych szeregowych. |
| CLK | – | sygnał zegarowy |
| LD | – | wejście sterujące wpisem danych równoległych |
| SH | – | wejście sterujące przesuwaniem danych w prawo |
Zapis danych z wejść A...D do rejestru następuje po ustawieniu wejścia SH w stan niski 0, umieszczeniu danych na wejściach A...D i ustawieniu wejścia LD w stan wysoki. Dane zostają zapisane w przerzutnikach rejestru synchronicznie i pojawią się na wyjściach po ujemnym zboczu (0→1) sygnału zegarowego CLK. Podczas ładowania danych wejście szeregowe SER zostaje zablokowane.
Przesuw w prawo jest wykonywany na ujemnym zboczu sygnału zegarowego, gdy wejście SH jest w stanie wysokim (stan wejścia LD jest wtedy nieistotny). Dane szeregowe w tym trybie podawane są na wejście SER.
Gdy oba wejścia LD i SH są w stanie niskim, taktowanie może być wykonywane, dane z wyjścia każdego przerzutnika są wewnętrznie podawane na jego wejście. W efekcie dane nie są zmieniane. Dzięki temu można pozostawić aktywny sygnał zegarowy, a stan rejestru pozostanie niezmieniony.
| Wejścia | Wyjścia | ||||||||||
| SH | LD | CLK | SER | A | B | C | D | QA | QB | QC | QD |
| X | X | 1 | X | X | X | X | X | QA0 | QB0 | QC0 | QD0 |
| 0 | 0 | ↓ | X | X | X | X | X | QA0 | QB0 | QC0 | QD0 |
| 0 | 1 | ↓ | X | a | b | c | d | a | b | c | d |
| 1 | X | ↓ | 1 | X | X | X | X | 1 | QAn | QBn | QCn |
| 1 | X | ↓ | 0 | X | X | X | X | 0 | QAn | QBn | QCn |
| 0 – stan wyjścia przed zmianą sygnałów sterujących n – stan wyjścia przed ujemnym zboczem sygnału CLK |
![]() |
![]() |
| Opis parametru | 54178 | 74178 | Jednostka | |
| VCC | Napięcie zasilania | 4,5...5,5 | 4,75...5,25 | V |
| VIH | Napięcie wejściowe dla stanu 1 | 2 | 2 | V |
| VIL | Napięcie wejściowe dla stanu 0 | 0,8 | 0,8 | V |
| VOH | Napięcie wyjściowe dla stanu 1 | 2,4...3,4 | 2,4...3,4 | V |
| VOL | Napięcie wyjściowe dla stanu 0 | 0,2...0,4 | 0,2...0,4 | V |
| IIH | Prąd wejściowy w stanie 1 | 40 | 40 | µA |
| IIL | Prąd wejściowy w stanie 0 | -1,6 | -1,6 | mA |
| IOH | Prąd wyjściowy w stanie 1 | -0,8 | -0,8 | mA |
| IOL | Prąd wyjściowy w stanie 0 | 16 | 16 | mA |
| ICC | Prąd zasilania | 46...70 | 46...75 | mA |
| TA | Zakres temperatur pracy | -55...125 | 0...70 | °C |
| fCLK | Częstotliwość zegara | 0...25 | 0...25 | MHz |
| tw | Szerokość impulsu zegarowego | 20 | 20 | ns |
![]() |
Zespół Przedmiotowy Chemii-Fizyki-Informatyki w I Liceum Ogólnokształcącym im. Kazimierza Brodzińskiego w Tarnowie ul. Piłsudskiego 4 ©2026 mgr Jerzy Wałaszek |
Materiały tylko do użytku dydaktycznego. Ich kopiowanie i powielanie jest dozwolone pod warunkiem podania źródła oraz niepobierania za to pieniędzy.
Pytania proszę przesyłać na adres email:
Serwis wykorzystuje pliki cookies. Jeśli nie chcesz ich otrzymywać, zablokuj je w swojej przeglądarce.
Informacje dodatkowe.