|
Serwis Edukacyjny w I-LO w Tarnowie
Materiały dla uczniów liceum |
Wyjście Spis treści Wstecz Dalej
Autor artykułu: mgr Jerzy Wałaszek |
©2026 mgr Jerzy Wałaszek
|
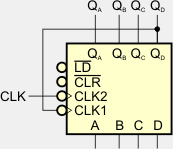
![]() |
Układ 74176 zawiera cztery przerzutniki typu Master-Slave, które są wewnętrznie połączone w dwa niezależne liczniki z modułem 2 i 5. Liczniki można ustawiać w dowolnym momencie (ang. Presettable Decade Counters/Latches) przez ustawienie wejścia LD w stan niski i zmianę stanu wejść A...D. Wyjścia Q zmienią się niezależnie od stanu liczników. Układ może również zostać wykorzystany jako 4 przerzutniki typu Latch przez wykorzystanie wejścia LD jako wejścia zapisującego krótkim impulsem ujemnym. Dane zostaną zapisane do przerzutników i nie będą się zmieniały, jeśli wejścia zegarowe CLK pozostaną w stanie nieaktywnym. Układ posiada następujące wejścia/wyjścia
| A | – | wejście ustawiające stan licznika liczącego modułem 2 |
| QA | – | wyjście licznika liczącego modułem 2 |
| CLK1 | – | sygnał zegarowy dla licznika zliczającego modułem 2. Zliczanie następuje przy ujemnym zboczu sygnału zegarowego. |
| B, C, D | – | wejścia ustawiające dla licznika liczącego modułem 5 |
| QB, QC, QD | – | wyjścia licznika liczącego modułem 5 |
| CLK2 | – | sygnał zegarowy dla licznika zliczającego modułem 5. Zliczanie następuje przy ujemnym zboczu sygnału zegarowego. |
| LD | – | w stanie niskim powoduje załadowanie danych z wejść do przerzutników. W stanie wysokim uaktywnia zliczanie. |
| CLR | – | stan niski powoduje wyzerowanie wszystkich przerzutników |
| Tryb BCD | Tryb 5-2 | |||||||||||||||||||||||||||||||||||||||||||||||||||||||||||||||||||||||||||||||||||||||||||||||||||||||||||||||||||||||
![]() |
![]() |
|||||||||||||||||||||||||||||||||||||||||||||||||||||||||||||||||||||||||||||||||||||||||||||||||||||||||||||||||||||||
|
|
|||||||||||||||||||||||||||||||||||||||||||||||||||||||||||||||||||||||||||||||||||||||||||||||||||||||||||||||||||||||
![]() |
![]() |
| Opis parametru | 54176 | 74176 | Jednostka | ||
| VCC | Napięcie zasilania | 4,5...5,5 | 4,75...5,25 | V | |
| VIH | Napięcie wejściowe dla stanu 1 | 2 | 2 | V | |
| VIL | Napięcie wejściowe dla stanu 0 | 0,8 | 0,8 | V | |
| VOH | Napięcie wyjściowe dla stanu 1 | 2,4...3,4 | 2,4...3,4 | V | |
| VOL | Napięcie wyjściowe dla stanu 0 | 0,2...0,4 | 0,2...0,4 | V | |
| IIH | Prąd wejściowy w stanie 1 | A...D, LD | 40 | 40 | µA |
| CLR, CLK1 | 80 | 80 | |||
| CLK2 | 120 | 120 | |||
| IIL | Prąd wejściowy w stanie 0 | A...D, LD | -1,6 | -1,6 | mA |
| CLR | -3,2 | -3,2 | |||
| CLK1, CLK2 | -4,8 | -4,8 | |||
| IOH | Prąd wyjściowy w stanie 1 | -0,8 | -0,8 | mA | |
| IOL | Prąd wyjściowy w stanie 0 | 16 | 16 | mA | |
| ICC | Prąd zasilania | 30...48 | 30...48 | mA | |
| TA | Zakres temperatur pracy | -55...125 | 0...70 | °C | |
| fCLK1 | Częstotliwość zegara na wejściu CLK1 | 0...35 | 0...35 | MHz | |
| fCLK2 | Częstotliwość zegara na wejściu CLK2 | 0...17,5 | 0...17,5 | MHz | |
| tw | Szerokość impulsu | CLK1 | 14 | 14 | ns |
| CLK2 | 28 | 28 | |||
| CLR | 20 | 20 | |||
| LD | 25 | 25 | |||
![]() |
Zespół Przedmiotowy Chemii-Fizyki-Informatyki w I Liceum Ogólnokształcącym im. Kazimierza Brodzińskiego w Tarnowie ul. Piłsudskiego 4 ©2026 mgr Jerzy Wałaszek |
Materiały tylko do użytku dydaktycznego. Ich kopiowanie i powielanie jest dozwolone pod warunkiem podania źródła oraz niepobierania za to pieniędzy.
Pytania proszę przesyłać na adres email:
Serwis wykorzystuje pliki cookies. Jeśli nie chcesz ich otrzymywać, zablokuj je w swojej przeglądarce.
Informacje dodatkowe.