Serwis Edukacyjny
w I-LO w Tarnowie
Do strony głównej I LO w Tarnowie

Materiały dla uczniów liceum
 

  Wyjście       Spis treści       Wstecz       Dalej  

obrazek

Autor artykułu: mgr Jerzy Wałaszek

©2026 mgr Jerzy Wałaszek

74171 – poczwórny przerzutnik D z zerowaniem

74171

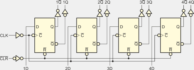
Oznaczenie graficzne przerzutnika D typu 74171

obrazek

Opis

Układ 74171 zawiera poczwórny przerzutnik typu D z zerowaniem (ang. Quadruple D-type Flip-flops with Clear). Wewnętrznie układ zawiera 4 synchroniczne przerzutniki D o wspólnym taktowaniu i zerowaniu. Dane są podawane na cztery wejścia 1D...4D. Stan przerzutników pojawia się na wyjściach 1Q/1Q...4Q/4Q. Stan niski na wejściu CLR powoduje wyzerowanie przerzutników. Dane z Wejść D są zapisywane w przerzutnikach przy narastającym zboczu na wejściu CLK.

Tabela funkcji

Wejścia Wyjścia
CLR CLK D Q Q
0 X X 0 1
1 0 0 1
1 1 1 0
1 0 X Q0 Q0

Q0 – stan poprzedni (zapamiętany)

Sieć logiczna przerzutnika 74171

obrazek

Obudowa DIL-16

obrazek

Wybrane parametry elektryczne

  Opis parametru 54LS171 74LS171 Jednostka
VCC Napięcie zasilania 4,5...5,5 4,75...5,25 V
VIH Napięcie wejściowe dla stanu 1 2 2 V
VIL Napięcie wejściowe dla stanu 0 0,7 0,8 V
VOH Napięcie wyjściowe dla stanu 1 2,5...3,4 2,7...3,4 V
VOL Napięcie wyjściowe dla stanu 0 0,25...0,4 0,25...0,5 V
IIH Prąd wejściowy w stanie 1 20 20 µA
IIL Prąd wejściowy w stanie 0 wejścia D -0,4 -0,4 mA
pozostałe -0,2 -0,2
IOH Prąd wyjściowy w stanie 1 -0,4 -0,4 mA
IOL Prąd wyjściowy w stanie 0 16 16 mA
ICC Prąd zasilania 14...25 14...25 mA
TA Zakres temperatur pracy -55...125   °C
fclock Częstotliwość zegara 0...30 0...30 MHz
tw Szerokość impulsu CLR 20 20 ns
tsu Czas przygotowania 20 20 ns

do podrozdziału  do strony 

Zespół Przedmiotowy
Chemii-Fizyki-Informatyki

w I Liceum Ogólnokształcącym
im. Kazimierza Brodzińskiego
w Tarnowie
ul. Piłsudskiego 4
©2026 mgr Jerzy Wałaszek

Materiały tylko do użytku dydaktycznego. Ich kopiowanie i powielanie jest dozwolone pod warunkiem podania źródła oraz niepobierania za to pieniędzy.
Pytania proszę przesyłać na adres email: i-lo@eduinf.waw.pl
Serwis wykorzystuje pliki cookies. Jeśli nie chcesz ich otrzymywać, zablokuj je w swojej przeglądarce.

Informacje dodatkowe.