|
Serwis Edukacyjny w I-LO w Tarnowie
Materiały dla uczniów liceum |
Wyjście Spis treści Wstecz Dalej
Autor artykułu: mgr Jerzy Wałaszek |
©2026 mgr Jerzy Wałaszek
|
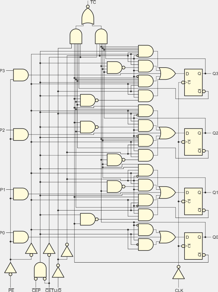
![]() |
Układ 74169 dwukierunkowy synchroniczny licznik dwójkowy (ang. Binary Synchronous Bi-Directional Counter). Wewnątrz zawiera cztery przerzutniki typu D, które pełnią rolę licznika synchronicznego. Układ posiada następujące wejścia i wyjścia:
| PE | CEP | CET | U/D | Akcja przy narastającym zboczu sygnału CLK |
| 0 | X | X | X | Ładowanie (Pn → Qn) |
| 1 | 0 | 0 | 1 | Zliczanie w górę |
| 1 | 0 | 0 | 0 | Zliczanie w dół |
| 1 | 1 | X | X | Brak zmiany |
| 1 | X | 1 | X | Brak zmiany |
![]() |
![]() |
![]() |
| Opis parametru | 54LS169 | 74LS169 | Jednostka | ||
| VCC | Napięcie zasilania | 4,5...5,5 | 4,75...5,25 | V | |
| VIH | Napięcie wejściowe dla stanu 1 | 2 | 2 | V | |
| VIL | Napięcie wejściowe dla stanu 0 | 0,7 | 0,8 | V | |
| VOH | Napięcie wyjściowe dla stanu 1 | 2,5...3,5 | 2,7...3,5 | V | |
| VOL | Napięcie wyjściowe dla stanu 0 | 0,25...0,5 | 0,25...0,5 | V | |
| IIH | Prąd wejściowy w stanie 1 | CET | 40 | 40 | µA |
| pozostałe | 20 | 20 | |||
| IIL | Prąd wejściowy w stanie 0 | CET | -0,8 | -0,8 | mA |
| pozostałe | -0,4 | -0,4 | |||
| IOH | Prąd wyjściowy w stanie 1 | -0,4 | -0,4 | mA | |
| IOL | Prąd wyjściowy w stanie 0 | 4 | 8 | mA | |
| ICC | Prąd zasilania | 34 | 34 | mA | |
| TA | Zakres temperatur pracy | -55...125 | 0...70 | °C | |
| tw(CLK) | Szerokość impulsów CLK | 25 | 25 | ns | |
| fCLK | Częstotliwość zegara | 25...32 | 25...32 | MHz | |
![]() |
Zespół Przedmiotowy Chemii-Fizyki-Informatyki w I Liceum Ogólnokształcącym im. Kazimierza Brodzińskiego w Tarnowie ul. Piłsudskiego 4 ©2026 mgr Jerzy Wałaszek |
Materiały tylko do użytku dydaktycznego. Ich kopiowanie i powielanie jest dozwolone pod warunkiem podania źródła oraz niepobierania za to pieniędzy.
Pytania proszę przesyłać na adres email:
Serwis wykorzystuje pliki cookies. Jeśli nie chcesz ich otrzymywać, zablokuj je w swojej przeglądarce.
Informacje dodatkowe.