|
Serwis Edukacyjny w I-LO w Tarnowie
Materiały dla uczniów liceum |
Wyjście Spis treści Wstecz Dalej
Autor artykułu: mgr Jerzy Wałaszek |
©2026 mgr Jerzy Wałaszek
|
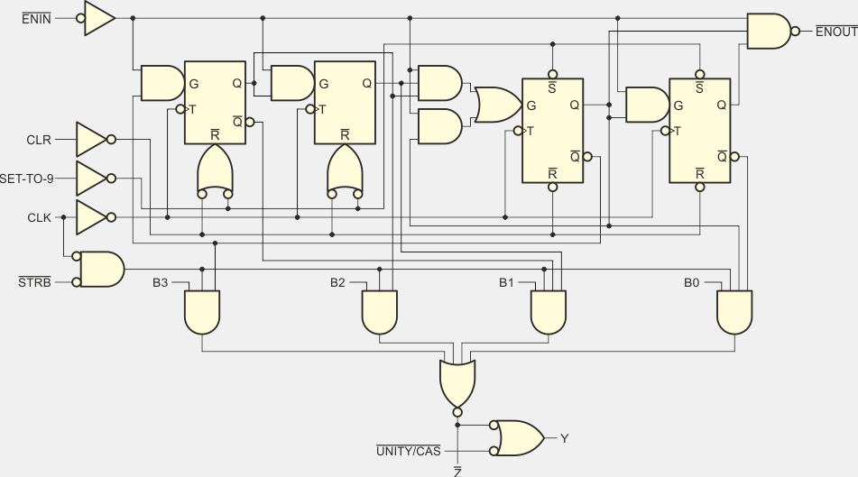
![]() |
Układ 74167 zawiera synchroniczny, programowany, 4-bitowy licznik dziesiętny, który pełni rolę mnożnika impulsów wejściowych przez ułamek dziesiętny (ang. Synchronous Decade Rate Multiplier). Układ posiada następujące wejścia i wyjścia:

Jeśli wejścia B0...B3 mają stan 0, to wyjście Y ma stan niski, a impuls pojawi się na wyjściu ENOUT po każdych 10 impulsach CLK. Wyjście Y można zablokować w stan wysoki stanem 0 na wejściu UNITY/CAS. Umożliwia to łączenie układów 74167 w kaskady.
Z – jak Y, lecz
impulsy zaprzeczone
ENOUT – jeśli
układ jest aktywny, to na tym wyjściu pojawia się jeden impuls
na każde 10 impulsów zegarowych. Umożliwia to łączenie układów
74167 w kaskady.
| Wejścia | Wyjścia | ||||||||||
| CLR | ENIN | STRB | B3 | B2 | B1 | B0 | CLK | UNITY/CAS | Y | Z | ENOUT |
| 1 | X | 1 | X | X | X | X | X | 1 | 0 | 1 | 1 |
| 0 | 0 | 0 | 0 | 0 | 0 | 0 | (10) | 1 | 0 | 1 | (1) |
| 0 | 0 | 0 | 0 | 0 | 0 | 1 | (10) | 1 | (1) | (1) | (1) |
| 0 | 0 | 0 | 0 | 0 | 1 | 0 | (10) | 1 | (2) | (2) | (1) |
| 0 | 0 | 0 | 0 | 0 | 1 | 1 | (10) | 1 | (3) | (3) | (1) |
| 0 | 0 | 0 | 0 | 1 | 0 | 0 | (10) | 1 | (4) | (4) | (1) |
| 0 | 0 | 0 | 0 | 1 | 0 | 1 | (10) | 1 | (5) | (5) | (1) |
| 0 | 0 | 0 | 0 | 1 | 1 | 0 | (10) | 1 | (6) | (6) | (1) |
| 0 | 0 | 0 | 0 | 1 | 1 | 1 | (10) | 1 | (7) | (7) | (1) |
| 0 | 0 | 0 | 1 | 0 | 0 | 0 | (10) | 1 | (8) | (8) | (1) |
| 0 | 0 | 0 | 1 | 0 | 0 | 1 | (10) | 1 | (9) | (9) | (1) |
| 0 | 0 | 0 | 1 | 0 | 1 | 0 | (10) | 1 | (8) | (8) | (1) |
| 0 | 0 | 0 | 1 | 0 | 1 | 1 | (10) | 1 | (9) | (9) | (1) |
| 0 | 0 | 0 | 1 | 1 | 0 | 0 | (10) | 1 | (8) | (8) | (1) |
| 0 | 0 | 0 | 1 | 1 | 0 | 1 | (10) | 1 | (9) | (9) | (1) |
| 0 | 0 | 0 | 1 | 1 | 1 | 0 | (10) | 1 | (8) | (8) | (1) |
| 0 | 0 | 0 | 1 | 1 | 1 | 1 | (10) | 1 | (9) | (9) | (1) |
| 0 | 0 | 0 | 1 | 0 | 0 | 1 | (10) | 0 | 1 | (9) | (1) |
| (n) – liczba impulsów we/wy – licznik ułamka przekracza 9 |
Poniżej mamy typowy schemat aplikacyjny dla mnożników 74167. Trzy dekady umożliwiają mnożenie częstotliwości wejściowej przez ułamki dziesiętne od 0,001 do 0,999. W podobny sposób można łączyć ze sobą więcej dekad.
![]() |
![]() |
![]() |
| Opis parametru | 54167 | 74167 | Jednostka | ||
| VCC | Napięcie zasilania | 4,5...5,5 | 4,75...5,25 | V | |
| VIH | Napięcie wejściowe dla stanu 1 | 2 | 2 | V | |
| VIL | Napięcie wejściowe dla stanu 0 | 0,8 | 0,8 | V | |
| VOH | Napięcie wyjściowe dla stanu 1 | 2,4...3,4 | 2,4...3,4 | V | |
| VOL | Napięcie wyjściowe dla stanu 0 | 0,2...0,4 | 0,2...0,4 | V | |
| IIH | Prąd wejściowy w stanie 1 | CLK | 80 | 80 | µA |
| pozostałe | 40 | 40 | |||
| IIL | Prąd wejściowy w stanie 0 | CLK | -3,2 | -3,2 | mA |
| pozostałe | -1,6 | -1,6 | |||
| IOH | Prąd wyjściowy w stanie 1 | -0,4 | -0,4 | mA | |
| IOL | Prąd wyjściowy w stanie 0 | 16 | 16 | mA | |
| ICC | Prąd zasilania | 65...99 | 65...99 | mA | |
| TA | Zakres temperatur pracy | -55...125 | 0...70 | °C | |
| tw(CLK) | Szerokość impulsów CLK | 20 | 20 | ns | |
| tw(CLR) | Szerokość impulsu CLR | 15 | 15 | ns | |
| tw(SET-TO-9) | Szerokość impulsu SET-TO-9 | 15 | 15 | ns | |
| fCLK | Częstotliwość zegara | 0...32 | 0...32 | MHz | |
![]() |
Zespół Przedmiotowy Chemii-Fizyki-Informatyki w I Liceum Ogólnokształcącym im. Kazimierza Brodzińskiego w Tarnowie ul. Piłsudskiego 4 ©2026 mgr Jerzy Wałaszek |
Materiały tylko do użytku dydaktycznego. Ich kopiowanie i powielanie jest dozwolone pod warunkiem podania źródła oraz niepobierania za to pieniędzy.
Pytania proszę przesyłać na adres email:
Serwis wykorzystuje pliki cookies. Jeśli nie chcesz ich otrzymywać, zablokuj je w swojej przeglądarce.
Informacje dodatkowe.