|
Serwis Edukacyjny w I-LO w Tarnowie
Materiały dla uczniów liceum |
Wyjście Spis treści Wstecz Dalej
Autor artykułu: mgr Jerzy Wałaszek |
©2026 mgr Jerzy Wałaszek
|
![]() |
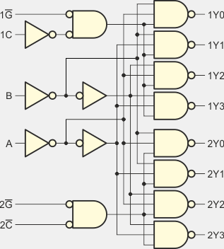
Układ 74156 zawiera dwa sprzężone dekodery/demultipleksery 2 linii na 4 (ang.Dual 2-Line To 4-Line Decoders/Demultiplexers) z wyjściami typu otwarty kolektor. Linie adresowe A i B są wspólne dla obu demultiplekserów i służą do wybierania wyjść Y. Wejście G w stanie niskim 0 uaktywnia wybrany demultiplekser. Wejście C jest wejściem danych. Jeśli dany demultiplekser jest aktywny, to stan 1C pojawia się w postaci zanegowanej na wyjściu 1Yn, które jest wybierane przez linie adresowe B i A (21). Drugi demultiplekser działa identycznie z tą różnicą, iż nie neguje sygnału z wejścia 2C (tzn. samo wejście jest aktywne w stanie niskim i na wybranym wyjściu 2Yn również pojawi się stan niski).
Dla demultipleksera 1
| Wejścia | Wyjścia | ||||||
| B | A | 1G | 1C | 1Y0 | 1Y1 | 1Y2 | 1Y3 |
| X | X | 1 | X | 1 | 1 | 1 | 1 |
| 0 | 0 | 0 | 1 | 0 | 1 | 1 | 1 |
| 0 | 1 | 0 | 1 | 1 | 0 | 1 | 1 |
| 1 | 0 | 0 | 1 | 1 | 1 | 0 | 1 |
| 1 | 1 | 0 | 1 | 1 | 1 | 1 | 0 |
| X | X | X | 0 | 1 | 1 | 1 | 1 |
Dla demultipleksera 2
| Wejścia | Wyjścia | ||||||
| B | A | 2G | 2C | 2Y0 | 2Y1 | 2Y2 | 2Y3 |
| X | X | 1 | X | 1 | 1 | 1 | 1 |
| 0 | 0 | 0 | 0 | 0 | 1 | 1 | 1 |
| 0 | 1 | 0 | 0 | 1 | 0 | 1 | 1 |
| 1 | 0 | 0 | 0 | 1 | 1 | 0 | 1 |
| 1 | 1 | 0 | 0 | 1 | 1 | 1 | 0 |
| X | X | X | 1 | 1 | 1 | 1 | 1 |
![]() |
Przez proste połączenie wejść układu 74156 można uzyskać dekoder 3 linii na 8 (ang. 3-Line To 8-Line Decoder) lub demultiplekser 1 linii na 8 (ang. 1-Line To 8-Line Demultiplexer). W tym celu zastosuj poniższy schemat:
![]() |
| Wejścia | Wyjścia | ||||||||||
| C | B | A | G | Y0 | Y1 | Y2 | Y3 | Y4 | Y5 | Y6 | Y7 |
| X | X | X | 1 | 1 | 1 | 1 | 1 | 1 | 1 | 1 | 1 |
| 0 | 0 | 0 | 0 | 0 | 1 | 1 | 1 | 1 | 1 | 1 | 1 |
| 0 | 0 | 1 | 0 | 1 | 0 | 1 | 1 | 1 | 1 | 1 | 1 |
| 0 | 1 | 0 | 0 | 1 | 1 | 0 | 1 | 1 | 1 | 1 | 1 |
| 0 | 1 | 1 | 0 | 1 | 1 | 1 | 0 | 1 | 1 | 1 | 1 |
| 1 | 0 | 0 | 0 | 1 | 1 | 1 | 1 | 0 | 1 | 1 | 1 |
| 1 | 0 | 1 | 0 | 1 | 1 | 1 | 1 | 1 | 0 | 1 | 1 |
| 1 | 1 | 0 | 0 | 1 | 1 | 1 | 1 | 1 | 1 | 0 | 1 |
| 1 | 1 | 1 | 0 | 1 | 1 | 1 | 1 | 1 | 1 | 1 | 0 |
![]() |
| Opis parametru | 54156 | 74156 | 74LS156 | Jednostka | |
| VCC | Napięcie zasilania | 4,5...5,5 | 4,75...5,25 | 4,75...5,25 | V |
| VIH | Napięcie wejściowe dla stanu 1 | 2 | 2 | 2 | V |
| VIL | Napięcie wejściowe dla stanu 0 | 0,8 | 0,8 | 0,8 | V |
| VOH | Napięcie wyjściowe dla stanu 1 | 5,5 | 5,5 | 5,5 | V |
| VOL | Napięcie wyjściowe dla stanu 0 | 0,2...0,4 | 0,2...0,4 | 0,25...0,5 | V |
| IIH | Prąd wejściowy w stanie 1 | 40 | 40 | 20 | µA |
| IIL | Prąd wejściowy w stanie 0 | -1,6 | -1,6 | -0,4 | mA |
| IOH | Prąd wyjściowy w stanie 1 | 0,25 | 0,25 | -0,1 | mA |
| IOL | Prąd wyjściowy w stanie 0 | 16 | 16 | 8 | mA |
| ICC | Prąd zasilania | 25...35 | 25...40 | 6,1...10 | mA |
| TA | Zakres temperatur pracy | -55...125 | 0...70 | 0...70 | °C |
| tpLH | Czas propagacji z 0 na 1 | 15...23 | 15...23 | 25...40 | ns |
| tpHL | Czas propagacji z 1 na 0 | 20...30 | 20...30 | 34...51 | ns |
![]() |
Zespół Przedmiotowy Chemii-Fizyki-Informatyki w I Liceum Ogólnokształcącym im. Kazimierza Brodzińskiego w Tarnowie ul. Piłsudskiego 4 ©2026 mgr Jerzy Wałaszek |
Materiały tylko do użytku dydaktycznego. Ich kopiowanie i powielanie jest dozwolone pod warunkiem podania źródła oraz niepobierania za to pieniędzy.
Pytania proszę przesyłać na adres email:
Serwis wykorzystuje pliki cookies. Jeśli nie chcesz ich otrzymywać, zablokuj je w swojej przeglądarce.
Informacje dodatkowe.