Serwis Edukacyjny
w I-LO w Tarnowie
Do strony głównej I LO w Tarnowie

Materiały dla uczniów liceum
 

  Wyjście       Spis treści       Wstecz       Dalej  

obrazek

Autor artykułu: mgr Jerzy Wałaszek

©2026 mgr Jerzy Wałaszek

74153 – dwa sprzężone multipleksery 4-kanałowe

74153

Oznaczenie graficzne multipleksera typu 74153

obrazek

Opis

Układ 74153 zawiera dwa sprzężone ze sobą multipleksery o 4 wejściach danych (ang.Dual 4-line to 1-Line Data Selectors/Multiplexers). Układ posiada dwa wejścia wybierające dane A i B, które są wspólne dla obu multiplekserów. Multipleksery posiadają 4 wejścia danych C0...C3, wejście uaktywniające G oraz wyjście danych Y. Gdy wejście G przyjmuje stan niski 0, dany multiplekser zostaje uaktywniony. Wtedy na jego wyjściu Y pojawia się stan wejścia Cn, gdzie n jest wybierane adresem podanym binarnie na linie B i A (21).

Tabelka stanów multipleksera typu 74153

Wejścia Wyjście
G B A Y
1 X X 0
0 0 0 C0
0 0 1 C1
0 1 0 C2
0 1 1 C3

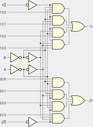
Schemat sieci logicznej multipleksera typu 74153

obrazek

Obudowa DIL-16

obrazek

Wybrane parametry elektryczne

  Opis parametru 54153 74153 74LS153 Jednostka
VCC Napięcie zasilania 4,5...5,5 4,75...5,25 4,75...5,25 V
VIH Napięcie wejściowe dla stanu 1 2 2 2 V
VIL Napięcie wejściowe dla stanu 0 0,8 0,8 0,8 V
VOH Napięcie wyjściowe dla stanu 1 2,4...3,4 2,4...3,4 2,7...3,4 V
VOL Napięcie wyjściowe dla stanu 0 0,2...0,4 0,2...0,4 0,25...0,4 V
IIH Prąd wejściowy w stanie 1 40 40 20 µA
IIL Prąd wejściowy w stanie 0 -1,6 -1,6 -0,4 mA
IOH Prąd wyjściowy w stanie 1 -0,8 -0,8 -0,4 mA
IOL Prąd wyjściowy w stanie 0 16 16 4 mA
ICC Prąd zasilania 36...52 36...60 6,2...10 mA
TA Zakres temperatur pracy -55...125 0...70 0...70 °C
tpLH Czas propagacji z 0 na 1 12...18 12...18 10...15 ns
tpHL Czas propagacji z 1 na 0 15...23 15...23 17...26 ns

do podrozdziału  do strony 

Zespół Przedmiotowy
Chemii-Fizyki-Informatyki

w I Liceum Ogólnokształcącym
im. Kazimierza Brodzińskiego
w Tarnowie
ul. Piłsudskiego 4
©2026 mgr Jerzy Wałaszek

Materiały tylko do użytku dydaktycznego. Ich kopiowanie i powielanie jest dozwolone pod warunkiem podania źródła oraz niepobierania za to pieniędzy.
Pytania proszę przesyłać na adres email: i-lo@eduinf.waw.pl
Serwis wykorzystuje pliki cookies. Jeśli nie chcesz ich otrzymywać, zablokuj je w swojej przeglądarce.

Informacje dodatkowe.