Serwis Edukacyjny
w I-LO w Tarnowie
Do strony głównej I LO w Tarnowie

Materiały dla uczniów liceum
 

  Wyjście       Spis treści       Wstecz       Dalej  

obrazek

Autor artykułu: mgr Jerzy Wałaszek

©2026 mgr Jerzy Wałaszek

74151 – multiplekser 8-kanałowy

74151

Oznaczenie graficzne multipleksera typu 74151

obrazek

Opis

Układ 74151 zawiera multiplikser wybierający jedno z 8 wejść (ang. 8-Input Data Selector/Multiplexer). Układ posiada 8 wejść danych D0...D7, jedno wejście G uaktywniające multiplekser, trzy wejścia adresowe A, B i C oraz jedno wyjście odwracające W i jedno wyjście nieodwracające Y. Gdy wejście G przyjmuje stan niski 0, multiplikser jest uaktywniany i na wyjściu W pojawia się zaprzeczony stan wejścia Dn (na Y pojawia się niezaprzeczony stan Dn), gdzie n odpowiada adresowi podanemu w postaci binarnej 421 na wejścia C, B i A. Gdy wejście G przyjmuje stan wysoki 1, na wyjściu W zostaje wymuszony stan wysoki 1 (na Y 0) i multiplekser staje się nieaktywny.

Układ 74151A posiada bufory adresowania, których wyjścia komplementarne mają symetryczne czasy propagacji. Zmniejsza to prawdopodobieństwo występowania stanów nieustalonych w sieci dekodującej adres wybieranego wejścia przy zmianie sygnałów A, B i C.

Tabelka stanów multipleksera typu 74151

Wejścia Wyjścia
Wybór STROBE
G
Y W
C B A
X X X 1 0 1
0 0 0 0 D0 D0
0 0 1 0 D1 D1
0 1 0 0 D2 D2
0 1 1 0 D3 D3
1 0 0 0 D4 D4
1 0 1 0 D5 D5
1 1 0 0 D6 D6
1 1 1 0 D7 D7

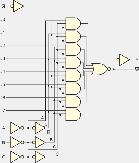
Schemat sieci logicznej multipleksera typu 74151

obrazek

Schemat sieci logicznej multipleksera typu 74151A

obrazek

Obudowa DIL-16

obrazek

Wybrane parametry elektryczne

  Opis parametru 54151 74151 Jednostka
VCC Napięcie zasilania 4,5...5,5 4,75...5,25 V
VIH Napięcie wejściowe dla stanu 1 2 2 V
VIL Napięcie wejściowe dla stanu 0 0,8 0,8 V
VOH Napięcie wyjściowe dla stanu 1 2,4...3,4 2,4...3,4 V
VOL Napięcie wyjściowe dla stanu 0 0,2...0,4 0,2...0,4 V
IIH Prąd wejściowy w stanie 1 40 40 µA
IIL Prąd wejściowy w stanie 0 -1,6 -1,6 mA
IOH Prąd wyjściowy w stanie 1 -0,8 -0,8 mA
IOL Prąd wyjściowy w stanie 0 16 16 mA
ICC Prąd zasilania 29...48 40...68 mA
TA Zakres temperatur pracy -55...125 0...70 °C
tpLH Czas propagacji z 0 na 1 25...38 25...38 ns
tpHL Czas propagacji z 1 na 0 25...38 25...38 ns

do podrozdziału  do strony 

Zespół Przedmiotowy
Chemii-Fizyki-Informatyki

w I Liceum Ogólnokształcącym
im. Kazimierza Brodzińskiego
w Tarnowie
ul. Piłsudskiego 4
©2026 mgr Jerzy Wałaszek

Materiały tylko do użytku dydaktycznego. Ich kopiowanie i powielanie jest dozwolone pod warunkiem podania źródła oraz niepobierania za to pieniędzy.
Pytania proszę przesyłać na adres email: i-lo@eduinf.waw.pl
Serwis wykorzystuje pliki cookies. Jeśli nie chcesz ich otrzymywać, zablokuj je w swojej przeglądarce.

Informacje dodatkowe.