|
Serwis Edukacyjny w I-LO w Tarnowie
Materiały dla uczniów liceum |
Wyjście Spis treści Wstecz Dalej
Autor artykułu: mgr Jerzy Wałaszek |
©2026 mgr Jerzy Wałaszek
|
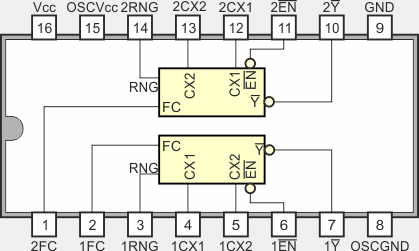
![]() |
Układ 74124 zawiera dwa niezależne generatory sterowane napięciem (VCO – ang. Voltage Controlled Oscillator). Częstotliwość wyjściowa jest ustalana przez zewnętrzny kondensator (CX1 i CX2) oraz dwa wejścia czułe na napięcie, jedno dla zakresu częstotliwości (RNG – ang. Range), drugie dla sterowania częstotliwością (FC – ang. Frequency Controll). Wejścia te służą do zmiany generowanej częstotliwości zgodnie z charakterystykami generatora. Częstotliwość wyjściowa jest bardzo stabilna i zawiera się w zakresie od 0,12Hz do 85MHz.
Gdy wejście EN (ang. Enable) ma stan niski, na wyjściu Y pojawiają się generowane impulsy. Gdy wejście EN przyjmuje stan wysoki, wyjście Y jest zablokowane i znajduje się w stanie wysokim.
Układ 74124 może być zasilany pojedynczym napięciem, jednakże układ posiada dwie pary końcówek zasilających:
Rozdzielenie napięć zasilających ma na celu eliminację zakłóceń. Wejście EN włącza i wyłącza wewnętrzny generator. Układ synchronizacji zapewnia, że pierwszy generowany impuls nie jest ani obcięty, ani wydłużony w czasie. Wypełnienie impulsów wyjściowych jest równe około 50%.
![]() |
| Opis parametru | 54S124 | 74S124 | Jednostka | |
| VCC | Napięcie zasilania | 4,5...5,5 | 4,75...5,25 | V |
| VI | Napięcie wejściowe RNG/FC | 1...5 | 1...5 | V |
| VIH | Napięcie wejściowe dla stanu 1 | 2 | 2 | V |
| VIL | Napięcie wejściowe dla stanu 0 | 0,8 | 0,8 | V |
| VOH | Napięcie wyjściowe dla stanu 1 | 2,5...3,4 | 2,7...3,4 | V |
| VOL | Napięcie wyjściowe dla stanu 0 | 0,5 | 0,5 | V |
| IIH | Prąd wejściowy w stanie 1 | 50 | 50 | µA |
| IIL | Prąd wejściowy w stanie 0 | -2 | -2 | mA |
| IOH | Prąd wyjściowy w stanie 1 | -1 | -1 | mA |
| IOL | Prąd wyjściowy w stanie 0 | 20 | 20 | mA |
| IOS | Wyjściowy prąd zwarcia | -10...-40 | -10...-40 | mA |
| ICC | Prąd zasilania | 105...150 | 105...150 | mA |
| TA | Zakres temperatur pracy | -55...125 | 0...70 | °C |
| fo | Częstotliwość wyjściowa | 1Hz...60 | 1Hz...60 | MHz |
![]() |
Zespół Przedmiotowy Chemii-Fizyki-Informatyki w I Liceum Ogólnokształcącym im. Kazimierza Brodzińskiego w Tarnowie ul. Piłsudskiego 4 ©2026 mgr Jerzy Wałaszek |
Materiały tylko do użytku dydaktycznego. Ich kopiowanie i powielanie jest dozwolone pod warunkiem podania źródła oraz niepobierania za to pieniędzy.
Pytania proszę przesyłać na adres email:
Serwis wykorzystuje pliki cookies. Jeśli nie chcesz ich otrzymywać, zablokuj je w swojej przeglądarce.
Informacje dodatkowe.