|
Serwis Edukacyjny w I-LO w Tarnowie
Materiały dla uczniów liceum |
Wyjście Spis treści Wstecz Dalej
Autor artykułu: mgr Jerzy Wałaszek |
©2026 mgr Jerzy Wałaszek
|
![]() |
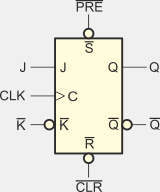
Układ 74109 zawiera dwa przerzutniki JK wyzwalane zboczem dodatnim sygnału zegarowego oraz posiadające asynchroniczne wejścia ustawiania i zerowania (ang. Dual JK Positive-Edge-Triggered Flip Flops with Preset and Clear). Stan wejść J i K wpływa na wyjścia przerzutnika przy dodatnim zboczu sygnału zegarowego CLK. Dane nie powinny się zmieniać w czasie tsu przed dodatnim zboczem CLK oraz th po tym zboczu. Poza tymi czasami stan wejść danych może ulegać zmianą bez wpływu na wyjścia.
![]() |
| Wejścia | Wyjścia | |||||
| PRE | CLR | CLK | J | K | Q | Q |
| 0 | 1 | X | X | X | 1 | 0 |
| 1 | 0 | X | X | X | 0 | 1 |
| 0 | 0 | X | X | X | 1 | 1 |
| 1 | 1 | ↑ | 0 | 0 | 0 | 1 |
| 1 | 1 | ↑ | 1 | 0 | Q0 | Q0 |
| 1 | 1 | ↑ | 0 | 1 | Q0 | Q0 |
| 1 | 1 | ↑ | 1 | 1 | 1 | 0 |
| 1 | 1 | 0 | X | X | Q0 | Q0 |
Q0 – stan wyjścia tuż przed zboczem dodatnim sygnału CLK
![]() |
| Opis parametru | 54109 | 74109 | 74LS109A | Jednostka | |
| VCC | Napięcie zasilania | 4,5...5,5 | 4,75...5,25 | 4,75...5,25 | V |
| VIH | Napięcie wejściowe dla stanu 1 | 2 | 2 | 2 | V |
| VIL | Napięcie wejściowe dla stanu 0 | 0,8 | 0,8 | 0,8 | V |
| VOH | Napięcie wyjściowe dla stanu 1 | 2,4...3,4 | 2,4...3,4 | 2,7...3,4 | V |
| VOL | Napięcie wyjściowe dla stanu 0 | 0,2...0,4 | 0,2...0,4 | 0,25...0,4 | V |
| IIH | Prąd wejściowy w stanie 1, J lub K | 40 | 40 | 20 | µA |
| Prąd wejściowy w stanie 1, CLR | 160 | 160 | 40 | ||
| Prąd wejściowy w stanie 1, PRE lub CLK | 80 | 80 | 40 | ||
| IIL | Prąd wejściowy w stanie 0, J lub K | -1,6 | -1,6 | -0,4 | mA |
| Prąd wejściowy w stanie 0, CLR | -4,8 | -4,8 | -0,8 | ||
| Prąd wejściowy w stanie 0, PRE lub CLK | -3,2 | -3,2 | -0,8 | ||
| IOH | Prąd wyjściowy w stanie 1 | -0,8 | -0,8 | -0,4 | mA |
| IOL | Prąd wyjściowy w stanie 0 | 16 | 16 | 8 | mA |
| ICC | Prąd zasilania | 9...15 | 9...15 | 4...8 | mA |
| TA | Zakres temperatur pracy | -55...125 | 0...70 | 0...70 | °C |
| fmax | Zalecana częstotliwość | 25...33 | 25...33 | 25...33 | MHz |
| tPLH | Czas propagacji z 0 na 1, od PRE na Q | 10...15 | 10...15 | 13...25 | ns |
| Czas propagacji z 0 na 1, od CLR na Q | 10...15 | 10...15 | 13...25 | ||
| Czas propagacji z 0 na 1, od CLK na Q/Q | 10...16 | 10...16 | 13...25 | ||
| tPHL | Czas propagacji z 1 na 0, od PRE na Q | 23...35 | 23...35 | 25...40 | ns |
| Czas propagacji z 1 na 0, od CLR na Q | 17...25 | 17...25 | 25...40 | ||
| Czas propagacji z 1 na 0, od CLK na Q/Q | 18...28 | 18...28 | 25...40 | ||
| tsu | Czas przygotowania J i K przed CLK ↑ | 10 | 10 | 25...35 | ns |
| th | Czas utrzymania J i K po CLK ↑ | 6 | 6 | 5 | ns |
| tw | Zalecana szerokość impulsu CLK = 1 lub CLK = 0 | 20 | 20 | 25 | ns |
| Zalecana szerokość impulsu PRE, CLR = 0 | 20 | 20 | 25 |
![]() |
Zespół Przedmiotowy Chemii-Fizyki-Informatyki w I Liceum Ogólnokształcącym im. Kazimierza Brodzińskiego w Tarnowie ul. Piłsudskiego 4 ©2026 mgr Jerzy Wałaszek |
Materiały tylko do użytku dydaktycznego. Ich kopiowanie i powielanie jest dozwolone pod warunkiem podania źródła oraz niepobierania za to pieniędzy.
Pytania proszę przesyłać na adres email:
Serwis wykorzystuje pliki cookies. Jeśli nie chcesz ich otrzymywać, zablokuj je w swojej przeglądarce.
Informacje dodatkowe.