|
Wyjście Spis treści Wstecz Dalej
Autor artykułu |
©2026 mgr Jerzy Wałaszek
|

If you use Microchip copyrighted material solely for educational (non-profit) purposes falling under the “fair use” exception of the U.S. Copyright Act of 1976 then you do not need Microchip’s written permission. For example, Microchip’s
permission is not required when using copyrighted material in:
https://www.microchip.com/about-us/legal-information/copyright-usage-guidelines

Timer/licznik 0 jest modułem 8-bitowego timera/licznika o ogólnym przeznaczeniu z modułem pojedynczego porównywania (ang. single compare unit). Posiada on następujące własności:
W rozdziale pojawia się termin angielski Output Compare, który odnosi się do zmiany stanu wybranej końcówki, jeśli wewnętrzny licznik odmierzy odpowiedni czas. Odbywa się to w ten sposób, iż stan licznika jest porównywany z rejestrem przechowującym znacznik czasu. Gdy licznik osiągnie wartość znacznika czasu, występuje zgodność porównania (ang. Compare Match) i w tym momencie mikrokontroler może wykonać różne operacje, np. zmienić stan logiczny określonej końcówki. Pozwala to generować różne przebiegi czasowe. Ponieważ nie spotkałem dobrego polskiego tłumaczenia dla terminu Output Compare, postanowiłem go zachować w oryginalnej postaci.
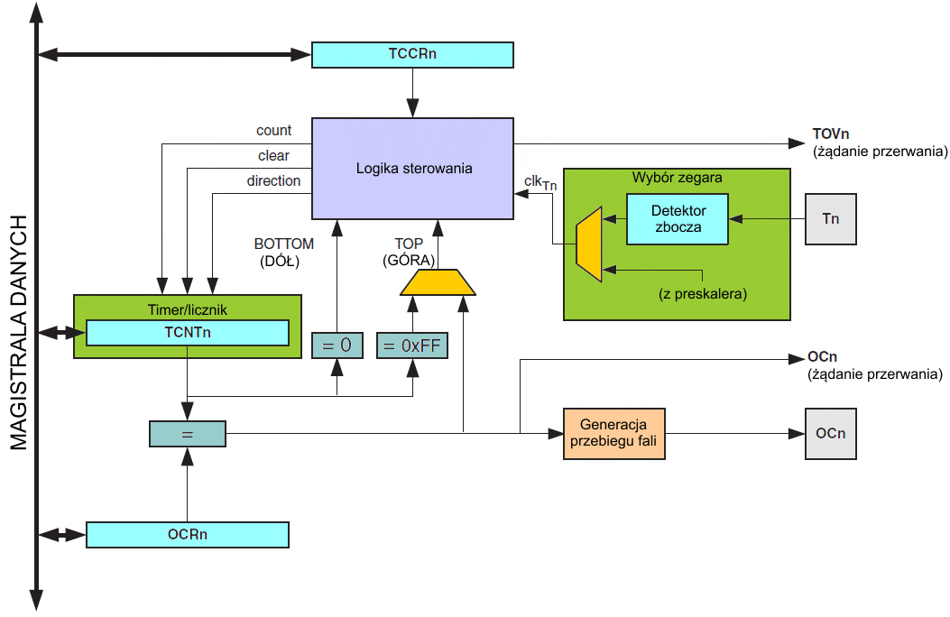
Poniżej przedstawiono uproszczony schemat blokowy 8-bitowego timera/licznika. Rejestry dostępne dla mikroprocesora, łącznie z bitami we/wy i końcówkami we/wy, są zapisane tłustym drukiem.

Rejestr timera/licznika (TCNT0) i rejestr Output Compare (OCR0) są 8-bitowymi rejestrami. Wszystkie sygnały żądania przerwań są widoczne w rejestrze znaczników przerwań timera (ang. Timer Interrupt Flag Register, TIFR). wszystkie przerwania są indywidualnie maskowane poprzez rejestr masek przerwań timera (ang. Timer Interrupt Mask Register, TIMSK). Rejestrów TIFR i TIMSK nie pokazano na rysunku, ponieważ są one współdzielone przez inne moduły liczników.
Timer/licznik może być taktowany wewnętrznie, poprzez preskaler lub przez zewnętrzne źródło zegarowe z końcówki T0. Blok logiki wyboru zegara kontroluje źródła zegarowe oraz rodzaj zbocza sygnału, których używa timer/licznik do zwiększania (lub zmniejszania) o 1 swojej wartości. Gdy nie zostanie wybrane żadne źródło zegarowe, timer/licznik przechodzi w stan nieaktywny. Wyjście z układu wyboru zegara jest oznaczone jako zegar timera (clkT0).
Podwójnie buforowany rejestr Output Compare (ang. Output Compare Register, OCR0) jest przez cały czas porównywany z wartością timera/licznika. Wynik tego porównania może być użyty przez generator przebiegu fali do tworzenia przebiegów PWM lub wyprowadzania zmiennej częstotliwości na końcówce Output Compare (OC0). Szczegóły znajdziesz w podrozdziale "Moduł Output Compare". Zdarzenie zgodności porównania ustawi również znacznik porównania (ang. Compare Flag, OCF0), który można wykorzystać do generacji żądania przerwania Output Compare.
Wiele rejestrów i odwołań do bitów w tym rozdziale są zapisane w postaci ogólnej. Mała litera "n" zastępuje numer timera/licznika, w tym przypadku jest to 0. Jednakże w programach należy używać precyzyjnej postaci rejestrów oraz ich bitów, tj. TCNT0 przy dostępie do wartości timera/licznika 0, itd.
| Stała | Opis |
| BOTTOM | Licznik osiąga BOTTOM, gdy jego wartość staje się równa 0x00 |
| MAX | Licznik osiąga MAX, gdy jego wartość staje się równa 0xFF (dziesiętnie 255). |
| TOP | Licznik osiąga TOP, gdy jego wartość staje się równa największej wartości w sekwencji zliczania. Wartość TOP może być przypisana jako wartość stała 0xFF (MAX) lub wartość umieszczona w rejestrze OCR0. Przypisanie to jest zależne od trybu pracy licznika. |

Opis sygnałów (sygnały wewnętrzne):
| count | Zwiększenie lub zmniejszenie wartości TCNT0 o 1. | |
| direction | Wybór pomiędzy zmniejszaniem a zwiększaniem wartości licznika. | |
| clear | Zerowanie TCNT0 (ustawienie wszystkich bitów na 0). | |
| clkTn | Zegar timera/licznika. | |
| top | Sygnalizacja, iż licznik TCNT0 osiągnął wartość maksymalną. | |
| bottom | Sygnalizacja, iż licznik TCNT0 osiągnął wartość minimalną (zero). |
W zależności od użytego trybu działania licznik jest zerowany, zwiększany o 1 lub zmniejszany o 1 przy każdym takcie zegara timera (clkT0). Zegar clkT0 może być tworzony z zewnętrznego lub z wewnętrznego źródła, wybranego bitami wyboru zegara (ang. Clock Select bits, CS02:0). Gdy nie jest wybrane żadne źródło zegarowe (CS02:0 = 0), to timer jest zatrzymany. Jednakże zawartość TCNT0 jest dostępna dla mikroprocesora bez względu na obecność lub brak clkT0. Zapis przez mikroprocesor posiada wyższy priorytet nad wszystkimi operacjami zliczania lub zerowania.
Sekwencja zliczania jest określana przez ustawienia bitów WGM01 i WGM00 umieszczonych w rejestrze sterującym timera/licznika (ang. Timer/Counter Control Register, TCCR0). Istnieją bliskie związki pomiędzy sposobem zachowania się licznika (zliczaniem) a sposobem generacji przebiegów na wyjściu Output Compare, OC0. Więcej na temat zaawansowanych sekwencji zliczania znajdziesz w podrozdziale "Tryby pracy".
Znacznik przepełnienia timera/licznika (ang. Timer/Counter Overflow Flag, TOV0) jest ustawiany zgodnie z trybem pracy wybranym przez bity WGM01:0. Znacznik TOV0 może być używany do generacji przerwania dla mikroprocesora.
Poniższy rysunek pokazuje schemat blokowy modułu Output Compare:

Rejestr OCR0 jest podwójnie buforowany, gdy są używane tryby PWN (ang. Pulse Width Modulation). W trybie normalnym oraz w trybie zerowania timera przy zgodności porównania, CTC (ang. Clear Timer on Compare) podwójne buforowanie jest wyłączone. Synchronizuje ono uaktuaktualnianie rejestru porównawczego OCR0 w czasie osiągnięcia wartości top lub bottom sekwencji zliczania. Synchronizacja zapobiega powstawaniu impulsów PWM o nieprawidłowej długości lub niesymetrycznych, co gwarantuje bezbłędne przebiegi wyjściowe.
Dostęp do rejestru OCR0 może wydawać się złożony, lecz tak nie jest. Gdy włączone jest podwójne buforowanie, mikroprocesor posiada dostęp do rejestru buforowego OCR0, a gdy buforowanie jest wyłączone, mikroprocesor ma bezpośredni dostęp do OCR0.
W trybach nie generujących przebiegu PWM wyjście zgodności porównania z komparatora może zostać wymuszone przez zapis jedynki do bitu wymuszenia Output Compare (ang. Force Output Compare bit, 0). Wymuszenie zgodności porównania nie ustawi znacznika OCF0, ani nie wyzeruje/przeładuje timera, lecz końcówka OC0 zostanie uaktualniona tak, jakby wystąpiła rzeczywista zgodność porównania (ustawienie bitów COM01:0 definiuje, czy końcówka OC0 jest ustawiana, zerowana lub zmienia stan na przeciwny).
Wszystkie zapisy przez mikroprocesor do rejestru TCNT0 będą blokowały każdą zgodność porównania, która pojawi się w następnym cyklu zegara timera, nawet, jeśli timer został zatrzymany. Cecha ta pozwala zainicjować rejestr OCR0 na tę samą wartość co TCNT0 bez wyzwolenia przerwania, gdy zostanie włączony zegar timera/licznika.
Ponieważ zapis TCNT0 w dowolnym trybie pracy zablokuje wszystkie zgodności porównań na jeden cykl zegara timera, występuje ryzyko związane ze zmianą zawartości TCNT0, gdy jest używany moduł Output Compare niezależnie od tego, czy timer/licznik pracuje, czy nie. Jeśli wartość wpisana do TCNT0 jest równa wartości OCR0, zgodność porównania zostanie przegapiona, co w wyniku da nieprawidłową generację przebiegu. Podobnie, nie wpisuj do TCNT0 wartości równej BOTTOM, gdy licznik zlicza w dół.
Ustawienie OC0 powinno być wykonane przed ustawieniem rejestru kierunku danych (ang. Data Direction Register) dla końcówki, która będzie wyjściem. Najprostszym sposobem ustawienia wartości OC0 jest użycie bitów strobowych wymuszonego Output Compare (FOC0) w trybie normalnym. Rejestr OC0 utrzymuje swoją wartość nawet przy zmianie trybów generacji przebiegów.
Bądź świadomy, iż bity COM01:0 nie są podwójnie buforowane wraz z wartością porównania. Zmiana bitów COM01:0 odniesie natychmiastowy skutek.

Bity trybu wyjścia porównania (ang. Compare Output Mode bits, COM01:0) posiadają dwie funkcje. Po pierwsze, generator przebiegu wykorzystuje bity COM01:0 do definiowania stanu końcówki wyjścia porównania (OC0) przy kolejnej zgodności porównania. Po drugie, bity COM01:0 kontrolują źródło wyjściowe dla końcówki OC0. Obrazek poniżej pokazuje uproszczony schemat sieci logicznej, na którą oddziałuje ustawienie bitów COM01:0. Rejestry we/wy, bity we/wy i końcówki we/wy na tym obrazku opisane są tłustym drukiem. Pokazane są tylko te elementy ogólnych rejestrów sterowania portami we/wy (DDR i PORT), na które wpływają bity COM01:0. Przy odwołaniu do stanu OC0 odwołanie to dotyczy wewnętrznego rejestru OC0, nie końcówki OC0. Jeśli wystąpi reset, to rejestr OC0 zostanie wyzerowany.
Moduł wyjścia
zgodności porównania (ang. Compare Match
Output Unit)

Ogólna funkcja portu we/we zostaje przejęta przez wyjście Output Compare (OC0) z generatora przebiegu, jeśli dowolny z bitów COM01:0 jest ustawiony. Jednakże kierunek końcówki OC0 (wejście lub wyjście) jest wciąż kontrolowany przez rejestr kierunku danych (DDR) dla tej końcówki portu. Bit portu kierunku danych dla końcówki OC0 (DDR_OC0) musi być ustawiony jako wyjście, zanim wartość OC0 stanie się widoczna na końcówce. Funkcja przejmowania jest niezależna od trybu pracy generatora przebiegu.
Zasada działania sieci logicznej dla końcówki Compare Output pozwala na inicjalizację stanu OC0 przed uaktywnieniem wyjścia. Zwróć uwagę, że niektóre z ustawień bitów COM01:0 są zarezerwowane tylko dla pewnych trybów pracy. Zobacz do podrozdziału "Opis Rejestrów".
Generator przebiegu (ang. Waveform Generator) używa bitów COM01:0 w różny sposób w trybach normalnym, CTC i PWM. Dla wszystkich trybów ustawienie COM01:0 = 0 informuje generator przebiegu, iż nie ma być podjęte żadne działanie na rejestrze OC0 przy następnej zgodności porównania. Wykonywane działania znajdziesz w opisie rejestru TCCR0.
Zmiana stanu bitów COM01:0 odniesie skutek dopiero przy pierwszej zgodności porównania. która wystąpi po zapisie tych bitów. Dla trybów różnych od PWM działanie może zostać natychmiast wymuszone przez użycie bitów strobowych FOC (ang. Force Output Compare – wymuszenie Output Compare). Więcej na ten temat znajdziesz w opisie rejestru TCCR0.
Najprostszym trybem pracy jest tryb normalny (ang. Normal Mode, WGM01:0 = 0). W tym trybie kierunek zliczania jest zawsze w górę (stan licznika się zwiększa przy każdym impulsie zegarowym) i nie jest wykonywane żadne zerowanie licznika. Licznik po prostu się przewija, gdy osiąga swoją maksymalną wartość 8-bitową (TOP = 0xFF), a później startuje ponownie od wartości BOTTOM (0x00). W trybie normalnym znacznik przepełnienia timera/licznika (ang. Timer/Counter Overflow Flag, TOV0) zostanie ustawiony w tym samym cyklu zegarowym, gdy TCNT0 osiąga wartość zero. Znacznik TOV0 w tym przypadku zachowuje się jak 9-ty bit z tym wyjątkiem, że jest tylko ustawiany, nie zerowany. Jednakże w połączeniu z przerwaniem od przepełnienia timera (ang. timer overflow interrupt), które automatycznie zeruje znacznik TOV0, rozdzielczość timera może zostać zwiększona programowo. Nie ma specjalnych przypadków do rozważenia w trybie normalnym, nowa wartość dla licznika może zostać wpisana w dowolnym momencie.
Moduł Output Compare może być użyty do generowania przerwań w zadanych momentach czasu. Używanie Output Compare do generacji przebiegów w trybie normalnym nie jest zalecane, ponieważ zabiera to zbyt wiele czasu mikroprocesora.
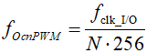
W trybie zerowania timera przy zgodności porównania (ang. Clear Timer on Compare, CTC) (WGM01:0 = 2), rejestr OCR0 jest używany do manipulowania rozdzielczością licznika. W trybie CTC licznik jest zerowany, gdy jego wartość (TCNT0) zrówna się z OCR0. Rejestr OCR0 definiuje wartość szczytową dla licznika, a stąd również jego rozdzielczość. Ten tryb zapewnia większą kontrolę nad częstotliwością wyjścia zgodności porównania. Upraszcza również operację zliczania zdarzeń zewnętrznych.
Wykres czasowy dla trybu CTC jest pokazany na poniższym rysunku. Wartość licznika (TCNT0) zwiększa się aż do pojawienia się zgodności porównania z OCR0, a wtedy licznik (TCNT0) jest zerowany.

Przerwanie może zostać wygenerowane za każdym razem, gdy wartość licznika osiąga wartość TOP przy użyciu znacznika OCF0. Jeśli to przerwanie jest uaktywnione, to procedura jego obsługi może zostać użyta do uaktualniania wartości TOP. Jednakże zmiana TOP na wartość bliską BOTTOM przy uruchomionym liczniku bez preskalera lub z małą wartością podziału preskalera musi być dokonywana ostrożnie, ponieważ tryb CTC nie posiada opcji podwójnego buforowania. Jeśli nowa wartość wpisana do OCR0 jest niższa od bieżącej wartości TCNT0, licznik przegapi zgodność porównania. W takim przypadku będzie on musiał zliczać do swojej wartości maksymalnej (0xFF) i rozpocząć od nowa zliczanie od 0x00, zanim będzie mogła wystąpić następna zgodność porównania.
Przy generowaniu przebiegu wyjściowego w trybie CTC wyjście
OC0 może zostać ustawione na zmianę swojego poziomu logicznego
przy każdej zgodności porównania przez ustawienie bitów trybu
Compare Output na tryb zmiany (COM01:0 =
1). Wartość OC0 nie będzie widoczna na końcówce portu aż
do ustawienia kierunku danych na wyjście. Generowany przebieg
będzie posiadał maksymalną częstotliwość

Zmienna N reprezentuje współczynnik preskalera (1, 8, 64, 256 lub 1024).
Tak samo jak w trybie normalnym znacznik TOV0 jest ustawiany w tym samym cyklu zegara timera, gdy licznik zmienia stan z MAX na 0x00.
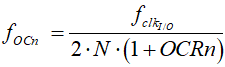
Szybki tryb PWM (ang. fast Pulse Width Modulation mode) (WGM01:0 = 3) udostępnia opcję generowania przebiegu PWM o wysokiej częstotliwości. Szybkie PWM różni się od innych opcji PWM zliczaniem tylko w jednym kierunku. Licznik zlicza od BOTTOM do MAX, po czym znów rozpoczyna zliczanie od BOTTOM. W trybie nieodwróconym Compare Output (ang. non-inverting Compare Output mode) wyjście Output Compare (OC0) jest zerowane przy zgodności porównania pomiędzy TCNT0 a OCR0 i ustawiane przy BOTTOM. W trybie odwróconym Output Compare (ang. inverting Compare Output mode) wyjście jest ustawiane przy zgodności porównania i zerowane przy BOTTOM. Z powodu tego zliczania tylko w jednym kierunku, częstotliwość pracy szybkiego trybu PWM może być dwukrotnie wyższa niż w trybie PWM z poprawnością fazy, który wykorzystuje zliczanie dwukierunkowe. Ta wysoka częstotliwość sprawia, że szybki tryb PWM dobrze nadaje się do aplikacji sterujących mocą, stabilizacją oraz przetwarzaniem cyfrowo/analogowym. Wysoka częstotliwość umożliwia stosowanie mniejszych wymiarowo elementów zewnętrznych (cewek, kondensatorów), a przez to zmniejsza całkowity koszt systemu.
W szybkim trybie PWM licznik jest zwiększany co 1, aż jego zawartość osiągnie MAX. Licznik zostaje następnie wyzerowany przy następnym cyklu zegara timera. Na poniższym rysunku przedstawiono wykres czasowy dla szybkiego trybu PWM. Wartość TCNT0 jest na wykresie przedstawiona jako histogram dla zilustrowania jednokierunkowej operacji zliczania. Wykres zawiera wyjścia PWM nieodwrócone oraz odwrócone. Małe poziome odcinki na zboczach TCNT0 reprezentują zgodności porównań pomiędzy OCR0 a TCNT0.

Znacznik przepełnienia timera/licznika (ang. Timer/Counter Overflow Flag, TOV0) jest ustawiany zawsze, gdy licznik osiąga wartość MAX. Jeśli przerwanie jest uaktywnione, to procedura jego obsługi może zostać użyta do uaktualniania wartości do porównań.
W szybkim trybie PWM układ porównawczy pozwala na generację przebiegów PWM na końcówce OC0. Ustawienie bitów COM01:0 na 2 utworzy nieodwrócony przebieg PWM, a odwrócony przebieg PWM może zostać wygenerowany przez ustawienie bitów COM0x1:0 na 3. Faktyczna wartość OC0 pojawi się na końcówce portu tylko wtedy, gdy końcówka ta zostanie ustawiona jako wyjście. Przebieg PWM jest generowany przez ustawianie (lub zerowanie) rejestru OC0 przy zgodności porównania pomiędzy OCR0 i TCNT0, a zerowanie (lub ustawianie) rejestru OC0 w cyklu zegara timera, w którym licznik jest zerowany (zmienia wartość z MAX na BOTTOM).
Częstotliwość przebiegu PWM na wyjściu może być obliczona z poniższego wzoru:

Zmienna N reprezentuje dzielnik preskalera (1, 8, 64, 256 lub 1024).
Wartości ekstremalne rejestru OCR0 reprezentują specjalne przypadki przy generacji przebiegu wyjściowego w szybkim trybie PWM. Jeśli OCR0 jest ustawiony na wartość równą BOTTOM, to na wyjściu pojawią się wąskie szpilki przy każdym (MAX+1)-szym cyklu zegara timera. Ustawienie OCR0 na wartość równą MAX spowoduje powstanie stałego przebiegu o wartości wysokiej lub niskiej (zależnie od polaryzacji wyjścia ustawianej bitami COM01:0).
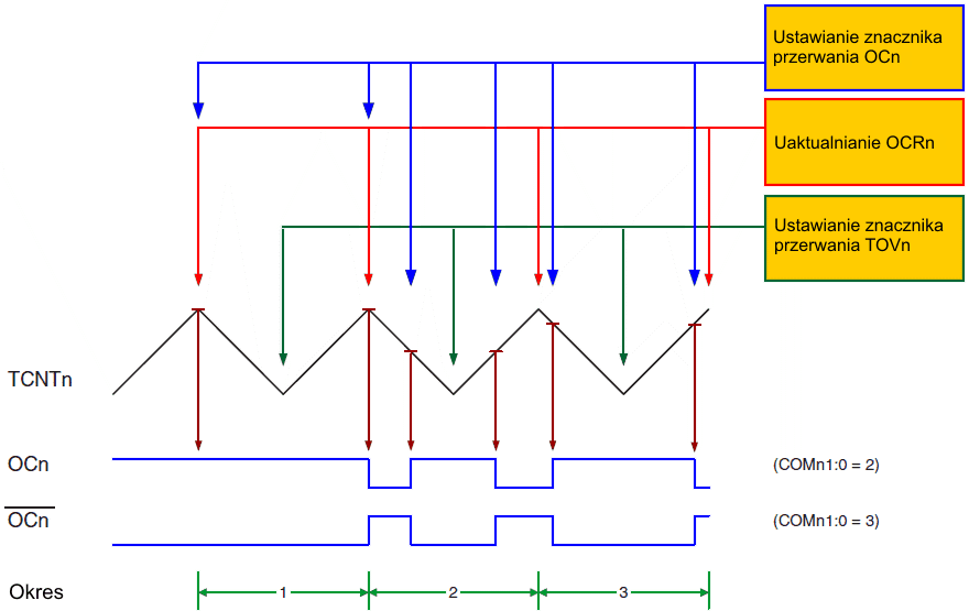
Tryb PWM poprawny fazowo (ang. phase correct PWM mode, WGM01:0 = 1) udostępnia opcję generacji przebiegu PWM o wysokiej rozdzielczości i poprawnego fazowo. Oparty on jest na zliczaniu dwukierunkowym. Licznik w kółko zlicza od BOTTOM do MAX, a później od MAX do BOTTOM. W nieodwróconym trybie Compare Output końcówka Output Compare (OC0) jest ustawiana w stan niski przy zgodności porównania pomiędzy TCNT0 i OCR0 przy zliczaniu w górę, a ustawiana w stan wysoki przy tej zgodności porównania przy zliczaniu w dół. W odwróconym trybie Output Compare operacja jest odwrotna. Zliczanie dwukierunkowe skutkuje mniejszą częstotliwością pracy niż przy zliczaniu jednokierunkowym. Jednakże z powodu symetrii trybów PWM z dwukierunkowym zliczaniem są one preferowane w aplikacjach sterujących silnikami.
Rozdzielczość trybu PWM poprawnego fazowo jest ustalona na osiem bitów. W trybie tym licznik jest zwiększany aż osiągnie wartość MAX. Gdy to się stanie, zmienia kierunek zliczania. Wartość TCNT0 będzie równa MAX przez jeden cykl zegara timera. Wykres czasowy trybu PWM poprawnego fazowo przedstawia rysunek poniżej. Wartość TCNT0 jest na wykresie pokazana jako histogram, aby zilustrować zliczanie w obu kierunkach. Wykres zawiera wyjścia PWM nieodwrócone i odwrócone. Małe, poziome linie na zboczach TCNT0 reprezentują zgodności porównań pomiędzy OCR0 a TCNT0.

Znacznik przepełnienia timera/licznika (ang. Timer/Counter Overflow Flag, TOV0) jest ustawiany za każdym razem, gdy licznik osiąga BOTTOM i może on zostać użyty do generowania przerwania w tym właśnie momencie.
W trybie PWM poprawnym fazowo moduł porównawczy pozwala generować przebiegi PWM na końcówce OC0. Ustawienie bitów COM01:0 na 2 wytworzy nieodwrócony przebieg PWM, a przebieg odwrócony powstanie przy ustawieniu COM01:0 na 3. Faktyczna wartość OC0 pojawi się na końcówce portu tylko wtedy, gdy końcówka ta zostanie ustawiona jako wyjście. Przebieg PWM jest generowany przez zerowanie (lub ustawianie) rejestru OC0 przy zgodności porównania pomiędzy OCR0 i TCNT0, gdy licznik zlicza w górę, a ustawianie (lub zerowanie) rejestru OC0 przy zgodności porównania pomiędzy OCR0 a TCNT0, gdy licznik zlicza w dół. Wyjściową częstotliwość PWM w trybie PWM poprawnym fazowo obliczamy wg poniższego wzoru:

Zmienna N reprezentuje dzielnik preskalera (1, 8, 64, 256 lub 1024).
Wartości ekstremalne dla rejestru OCR0 reprezentują specjalne przypadki przy generacji przebiegu PWM w trybie poprawnym fazowo. Jeśli OCR0 zostanie ustawiony na BOTTOM, to wyjście będzie stale w stanie niskim, a jeśli ustawi się go na MAX, to na wyjściu ciągle będzie stan wysoki w trybie nieodwróconym PWM. W trybie odwróconym PWM wyjście będzie w przeciwnych stanach logicznych.
Na samym początku okresu 2 na wykresie powyżej OCn przechodzi ze stanu wysokiego w niski, nawet jeśli nie występuje zgodność porównania. Miejsce tego przejścia ma zagwarantować symetryczność wokół BOTTOM. Istnieją dwa przypadki dające takie przejście bez zgodności porównania.
Wykres czasowy Timera/Licznika bez
preskalera

Następny wykres pokazuje te same dane, lecz z uruchomionym preskalerem (fclk_I/O:8):

Kolejny wykres pokazuje ustawianie znacznika OCF0 z wyjątkiem trybów CTC:

Kolejny wykres pokazuje ustawianie znacznika OCF0 i zerowanie licznika TCNT0 w trybach CTC.

| Bit | 7 | 6 | 5 | 4 | 3 | 2 | 1 | 0 | |
| 0x33 (0x53) | FOC0 | WGM00 | COM01 | COM00 | WGM01 | CS02 | CS01 | CS00 | TCCR0 |
| Zapis/Odczyt | Z | Z/O | Z/O | Z/O | Z/O | Z/O | Z/O | Z/O | |
| Wartość początkowa | 0 | 0 | 0 | 0 | 0 | 0 | 0 | 0 |
Bit FOC0 jest aktywny tylko wtedy, gdy bit WGM00 określa tryb nie-PWM. Jednakże dla kompatybilności z przyszłymi urządzeniami bit ten musi być zapisywany zerem przy zapisie do rejestru TCCR0 w czasie pracy w trybie PWM. Gdy do bitu FOC0 zapisana jest logiczna jedynka, zostaje natychmiast wymuszona zgodność porównania na module generacji przebiegu. Wyjście OC0 jest zmieniane zgodnie z ustawieniami bitów COM01:0. Zwróć uwagę, iż bit FOC0 jest zaimplementowany jako strob. Dlatego to wartość obecna w bitach COM01:0 określa efekt wymuszonej zgodności porównania. Strob FOC0 nie wygeneruje żadnego przerwania, ani nie wyzeruje timera w trybie CTC używającego rejestr OCR0 jako TOP.
Przy odczycie bit FOC0 daje zawsze wartość
zero.
Te bity kontrolują sekwencję zliczania licznika, źródło wartości maksymalnej (TOP) licznika oraz rodzaj generacji przebiegu do użycia. Timer/licznik 0 obsługuje następujące tryby: normalny, zerowania przy zgodności porównania (CTC) i dwa rodzaje modulacji szerokości impulsu (ang. Pulse Width Modulation, PWM).
Opis bitów trybu generacji przebiegu fali(1)
| Tryb | WGM01 (CTC0) |
WGM00 (PWM0) |
Tryb pracy timera/licznika | TOP | Uaktualnianie OCR0 |
Ustawianie znacznika TOV0 |
| 0 | 0 | 0 | Normalny | 0xFF | Natychmiast | MAX |
| 1 | 0 | 1 | PWM poprawny fazowo | 0xFF | TOP | BOTTOM |
| 2 | 1 | 0 | CTC | OCR0 | Natychmiast | MAX |
| 3 | 1 | 1 | PWM szybki | 0xFF | BOTTOM | MAX |
| Uwaga: | 1. | Nazwy definicji bitów CTC0 i PWM0 są już przestarzałe. Używaj definicji WGM01:0. Jednakże działanie oraz położenie tych bitów są kompatybilne z poprzednimi wersjami timera. |
Te bity sterują zachowaniem końcówki Output Compare (OC0). Jeśli jeden lub oba bity COM01:0 są ustawione, to wyjście OC0 przejmuje normalną funkcję portu końcówki we/wy. Jednakże zauważ, iż bit rejestru kierunku danych odpowiadający końcówce OC0 musi być ustawiony w celu uaktywnienia jej jako wyjście.
Gdy wyjście OC0B jest połączone z końcówką, funkcje bitów COM01:0 zależą od ustawienia bitów WGM01:0.
Funkcje bitów COM01:0, gdy bity WGM01:0 są ustawione na tryb normalny lub CTC (nie PWM):
| COM01 | COM00 | Opis |
| 0 | 0 | Normalna praca portu, OC0 odłączone. |
| 0 | 1 | Zmiana wartości OC0 na przeciwną przy zgodności porównania. |
| 1 | 0 | Zerowanie OC0 przy zgodności porównania. |
| 1 | 1 | Ustawienie OC0 przy zgodności porównania. |
Funkcje bitów COM01:0, gdy bity WGM01:0 są ustawione na szybki tryb PWM(1):
| COM01 | COM00 | Opis |
| 0 | 0 | Normalna praca portu, OC0 odłączone. |
| 0 | 1 | Zarezerwowane |
| 1 | 0 | Zerowanie OC0 przy zgodności porównania, ustawienie OC0 przy BOTTOM (tryb nieodwracający). |
| 1 | 1 | Ustawienie OC0 przy zgodności porównania, zerowanie OC0 przy BOTTOM (tryb odwracający). |
| Uwaga: | 1. | Specjalny przypadek występuje, gdy rejestr OCR0 ma zawartość równą TOP, a bit COM01 jest ustawiony. W takim przypadku zgodność porównania jest ignorowana, lecz ustawianie lub zerowanie jest wykonywane przy wartości BOTTOM. Zobacz do podrozdziału "Szybki tryb PWM". |
Funkcje bitów COM01:0, gdy bity WGM01:0 są ustawione na tryb PWM poprawny fazowo(1):
| COM01 | COM00 | Opis |
| 0 | 0 | Normalna praca portu, OC0 odłączone. |
| 0 | 1 | Zarezerwowane |
| 1 | 0 | Zerowanie OC0 przy
zgodności porównania przy zliczaniu w górę. Ustawienie OC0 przy zgodności porównania przy zliczaniu w dół. |
| 1 | 1 | Ustawienie OC0 przy
zgodności porównania przy zliczaniu w górę. Zerowanie OC0 przy zgodności porównania przy zliczaniu w dół. |
| Uwaga: | 1. | Specjalny przypadek występuje, gdy rejestr OCR0 ma zawartość równą TOP, a bit COM01 jest ustawiony. W takim przypadku zgodność porównania jest ignorowana, lecz ustawianie lub zerowanie jest wykonywane przy wartości TOP. Zobacz do podrozdziału "Tryb PWM poprawny fazowo". |
Trzy bity wyboru zegara wybierają źródło zegarowe, z którego będzie korzystał timer/licznik.
| CS02 | CS01 | CS00 | Opis |
| 0 | 0 | 0 | Brak źródła zegarowego (timer/licznik zatrzymany) |
| 0 | 0 | 1 | clkI/O/1 (bez preskalera) |
| 0 | 1 | 0 | clkI/O/8 (z preskalera) |
| 0 | 1 | 1 | clkI/O/64 (z preskalera) |
| 1 | 0 | 0 | clkI/O/256 (z preskalera) |
| 1 | 0 | 1 | clkI/O/1024 (z preskalera) |
| 1 | 1 | 0 | Zewnętrzne źródło zegarowe na końcówce T0. Aktywne zbocze opadające. |
| 1 | 1 | 1 | Zewnętrzne źródło zegarowe na końcówce T0. Aktywne zbocze narastające. |
Jeśli zostanie wybrane zewnętrzne źródło zegarowe dla timera/licznika 0, zmiany poziomu logicznego na końcówce T0 będą taktowały licznika nawet wtedy, gdy końcówka zostanie skonfigurowana jako wyjście. Cecha ta pozwala na programowe sterowanie zliczaniem.
| Bit | 7 | 6 | 5 | 4 | 3 | 2 | 1 | 0 | |
| 0x32 (0x52) | TCNT0[7:0] | TCNT0 | |||||||
| Zapis/Odczyt | Z/O | Z/O | Z/O | Z/O | Z/O | Z/O | Z/O | Z/O | |
| Wartość początkowa | 0 | 0 | 0 | 0 | 0 | 0 | 0 | 0 | |
Rejestr timera/licznika daje bezpośredni dostęp zarówno przy odczycie jak i przy zapisie do zawartości 8-bitowego licznika w module timera/licznika. Zapis do rejestru TCNT0 blokuje (usuwa) zgodność porównania przy następnym cyklu zegara timera. Modyfikowanie licznika (TCNT0) podczas jego pracy wprowadza ryzyko pominięcia zgodności porównania pomiędzy TCNT0 a rejestrem OCR0.
| Bit | 7 | 6 | 5 | 4 | 3 | 2 | 1 | 0 | |
| 0x3C (0x5C) | OCR0[7:0] | OCR0 | |||||||
| Zapis/Odczyt | Z/O | Z/O | Z/O | Z/O | Z/O | Z/O | Z/O | Z/O | |
| Wartość początkowa | 0 | 0 | 0 | 0 | 0 | 0 | 0 | 0 | |
Rejestr Output Compare zawiera 8-bitową wartość, która jest ciągle porównywana z zawartością licznika (TCNT0). Zgodność może zostać wykorzystana do generacji przerwania Output Compare lub do generacji przebiegu wyjściowego na końcówce OC0.
| Bit | 7 | 6 | 5 | 4 | 3 | 2 | 1 | 0 | |
| 0x39 (0x59) | OCIE2 | TOIE2 | TICIE1 | OCIE1A | OCIE1B | TOIE1 | OCIE0 | TOIE0 | TIMSK |
| Zapis/Odczyt | Z/O | Z/O | Z/O | Z/O | Z/O | Z/O | Z/O | Z/O | |
| Wartość początkowa | 0 | 0 | 0 | 0 | 0 | 0 | 0 | 0 |
Gdy bit OCIE0 zostanie ustawiony na jeden, a bit I w rejestrze stanu SREG jest również ustawiony, to jest uaktywniane przerwanie przy zgodności porównania w timerze/liczniku. Przerwanie to jest wykonywane, jeśli w timerze/liczniku wystąpi zgodność porównania, tj. gdy zostanie ustawiony bit OCF0 w rejestrze znaczników przerwań od timera/licznika (ang. Timer/Counter Interrupt Flag Register, TIFR).
Gdy bit TOIE0 zostanie zapisany stanem jeden, a bit I w rejestrze stanu jest ustawiony, to jest uaktywniane przerwanie przy przepełnieniu timera/licznika 0. Przerwanie to jest wykonywane, jeśli wystąpi przepełnienie w timerze/liczniku 0, tj. gdy zostanie ustawiony bit TOV0 w rejestrze znaczników przerwań od timera/licznika (ang. Timer/Counter Interrupt Flag Register, TIFR).
| Bit | 7 | 6 | 5 | 4 | 3 | 2 | 1 | 0 | |
| 0x38 (0x58) | OCF2 | TOV2 | ICF1 | OCF1A | OCF1B | TOV1 | OCF0 | TOV0 | TIFR |
| Zapis/Odczyt | Z/O | Z/O | Z/O | Z/O | Z/O | Z/O | Z/O | Z/O | |
| Wartość początkowa | 0 | 0 | 0 | 0 | 0 | 0 | 0 | 0 |
Bit OCF0 jest ustawiany, gdy wystąpi zgodność porównania pomiędzy timerem/licznikiem 0 a danymi w rejestrze Output Compare 0 (ang. Output Compare Register0, OCR0). Bit OCF0 jest zerowany sprzętowo przy wykonaniu odpowiedniego wektora przerwania. Alternatywnie można go wyzerować przez zapis do znacznika logicznej jedynki. Gdy są ustawione bity: I w SREG, OCIE0 i OCF0, zostaje wykonane przerwanie przy zgodności porównania.
Bit TOV0 jest ustawiany, gdy wystąpi przepełnienie w timerze/liczniku 0. Bit TOV0 jest zerowany sprzętowo przy wykonaniu odpowiedniego wektora przerwania. Alternatywnie można go wyzerować przez zapis do znacznika logicznej jedynki. Gdy są ustawione bity I w SREG oraz TOV0, zostaje wykonane przerwanie od przepełnienia timera/licznika 0. W trybie PWM poprawnym fazowo znacznik ten jest ustawiany, gdy timer/licznik 0 zmienia kierunek zliczania przy wartości 0x00.
![]() |
Zespół Przedmiotowy Chemii-Fizyki-Informatyki w I Liceum Ogólnokształcącym im. Kazimierza Brodzińskiego w Tarnowie ul. Piłsudskiego 4 ©2026 mgr Jerzy Wałaszek |
Materiały tylko do użytku dydaktycznego. Ich kopiowanie i powielanie jest dozwolone pod warunkiem podania źródła oraz niepobierania za to pieniędzy.
Pytania proszę przesyłać na adres email:
Serwis wykorzystuje pliki cookies. Jeśli nie chcesz ich otrzymywać, zablokuj je w swojej przeglądarce.
Informacje dodatkowe.