|
Wyjście Spis treści Wstecz Dalej
Autor artykułu |
©2026 mgr Jerzy Wałaszek
|

If you use Microchip copyrighted material solely for educational (non-profit) purposes falling under the “fair use” exception of the U.S. Copyright Act of 1976 then you do not need Microchip’s written permission. For example, Microchip’s permission is not required when using copyrighted material in: (1) an academic report, thesis, or dissertation; (2) classroom handouts or textbook; or (3) a presentation or article that is solely educational in nature (e.g., technical article published in a magazine).
https://www.microchip.com/about-us/legal-information/copyright-usage-guidelines
Wszystkie porty AVR posiadają możliwość pracy jako wejście lub wyjście danych, gdy używa się ich jako ogólne, cyfrowe porty wejścia/wyjścia. Oznacza to, iż kierunek pracy jednego portu (wejście lub wyjście) można zmieniać bez ryzyka niezamierzonej zmiany kierunku innych portów za pomocą instrukcji SBI i CBI. To samo dotyczy stanów wyjściowych (jeśli dany port pracuje jako wyjście) lub włączania/wyłączania oporników podciągających (ang. pull-up resistors). Każdy z buforów wyjściowych posiada symetryczne parametry obciążenia z możliwością pochłaniania lub wyprowadzania prądu. Porty posiadają wystarczającą obciążalność do sterowania bezpośrednio wyświetlaczami LED. Wszystkie porty posiadają indywidualnie wybierane oporniki podciągające o oporności niezależnej od napięcia zasilającego. Wszystkie końcówki we/wy posiadają diody zabezpieczające zarówno do VCC jak i do masy, co zaznaczono na rysunku poniżej. Kompletną listę parametrów znajdziesz w rozdziale "Parametry elektryczne".

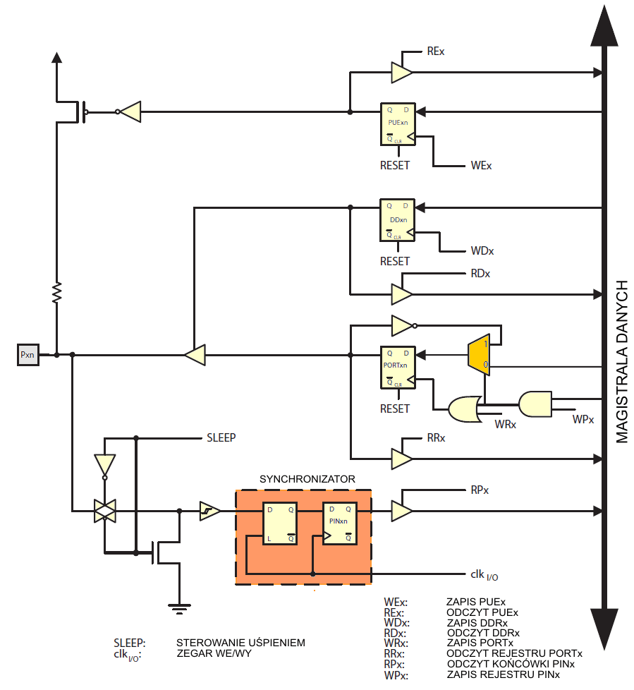
Wszystkie rejestry i odwołania do bitów w tym rozdziale są zapisane w sposób ogólny. Mała litera “x” reprezentuje literową nazwę portu, a mała litera "n" reprezentuje numer bitu. Jednakże, gdy stosuje się definicje rejestru lub bitu w programie, należy stosować precyzyjną postać nazwy. Na przykład PORTB3 dla bitu nr 3 w porcie B, tutaj ogólnie zapisanego jako PORTxn. Fizyczne rejestry we/wy i pozycje ich bitów opisane są dalej w tym rozdziale.
Dla każdego portu przydzielone są cztery adresy w pamięci we/wy, po jednym dla rejestru danych – PORTx (ang. Data Register), dla rejestru kierunku danych – DDRx (ang. Data Direction Register), dla rejestru włączania oporników podciągających (ang. Pull-up Enable Register) – PUEx i dla rejestru portu wejściowego – PINx (ang. Port Input Pins). Rejestr portu wejściowego znajduje się w komórce pamięci we/wy, której zawartość można tylko odczytywać, natomiast pozostałe komórki portów danych, kierunku i oporników podciągających można odczytywać i zapisywać. Jednakże zapis bitu o wartości 1 do bitu PINnx spowoduje odwrócenie stanu logicznego odpowiadającego mu bitu PORTxn w rejestrze danych.
Użycie portu we/wy jako ogólnego portu cyfrowego opisane jest w następnym podrozdziale. Większość końcówek portów jest multipleksowana z alternatywnymi funkcjami mikrokontrolera, co opisano w podrozdziale "Alternatywne funkcje Portu". Opis tych funkcji znajdziesz w dalszych rozdziałach.
Zauważ, iż włączenie alternatywnej funkcji na niektórych wyprowadzeniach portu nie wpływa na używanie innych wyprowadzeń w porcie jako ogólnego cyfrowego we/wy.
Porty są dwukierunkowymi portami we/wy z opcjonalnymi, wewnętrznymi opornikami podciągającymi. Poniższy rysunek pokazuje funkcjonalny opis jednej z końcówek portu we/wy, tutaj ogólnie zwanej Pxn:

| Uwaga: | Sygnały WEx, WRx, WPx, WDx, REx, RRx, RPx, i RDx są wspólne dla wszystkich końcówek w obrębie tego samego portu. Sygnały clkI/O oraz SLEEP są wspólne dla wszystkich portów. |
Każde wyprowadzenie portu kontrolowane jest przez odpowiadające mu bity w rejestrach: DDxn, PORTxn, PUExn i PINxn. Bity DDxn są dostępne pod adresem we/wy DDRx, bity PORTxn są pod adresem we/wy PORTx, bity PUExn są pod adresem we/wy PUEx i bity PINxn są pod adresem we/wy PINx.
Bit
DDxn w rejestrze DDRx
wybiera kierunek pracy tego wyprowadzenia. Jeśli do DDxn
zostanie wpisana logiczna jedynka, to wyprowadzenie Pxn jest
skonfigurowane jako wyjście. Jeśli do DDxn zostanie wpisane
logiczne zero, wyprowadzenie Pxn jest skonfigurowane jako
wejście.
Jeśli do PORTxn zostanie wpisane 1, gdy wyprowadzenie zostało
skonfigurowane jako wyjście, to na danym
wyprowadzeniu pojawi
się stan wysoki. Jeśli do PORTxn wpisze się logiczne 0, gdy
wyprowadzenie pracuje jako wyjście, to na tym wyjściu pojawi się stan niski.
Opornik podciągający wyjście do napięcia zasilającego zostaje
aktywowany, jeśli do PUExn będzie wpisana logiczna jedynka. Aby
wyłączyć opornik podciągający, do PUExn musi być wpisane
logiczne 0.
W poniższej tabeli dokonano podsumowania sygnałów sterujących
wartością na wyjściu wyprowadzenia mikrokontrolera:
| DDxn | PORTxn | PUExn | we/wy | Opornik podciągający |
Komentarz |
| 0 | X | 0 | wejście | NIE | Stan wysokiej impedancji. |
| 0 | X | 1 | wejście | TAK | Źródło prądu, jeśli stan zewnętrzny niski. |
| 1 | 0 | 0 | wyjście | NIE | Stan niski na wyjściu. |
| 1 | 0 | 1 | wyjście | TAK | NIEZALECANE Stan wyjściowy niski i aktywny opornik podciągający. Powoduje ciągły, wewnętrzny przepływ prądu. |
| 1 | 1 | 0 | wyjście | NIE | Stan wyjściowy wysoki. |
| 1 | 1 | 1 | wyjście | TAK | Stan wyjściowy wysoki z aktywnym wewnętrznym opornikiem podciągającym. |
Gdy warunek resetu staje się aktywny, wyprowadzenia portu przechodzą w stan wysokiej impedancji, nawet jeśli nie pracuje żaden zegar.
Zapis logicznej jedynki do PINxn powoduje zmianę stanu PORTxn
na przeciwny (z 1 na 0 lub z 0 na 1)
niezależnie od wartości DDRxn.
Zauważ, iż do zmiany stanu na przeciwny pojedynczego bitu w porcie może zostać użyta instrukcja SBI.
W trybie Break-Before-Make przełączanie bitu DDRxn z wejścia (0) na wyjście (1) wprowadza pośredni okres wysokiej impedancji trwający przez jeden cykl zegara systemowego, co pokazuje poniższy rysunek. Na przykład, jeśli zegar systemowy pracuje z częstotliwością 4 MHz, a bit DDRxn jest zapisywany, tak aby utworzyć na wyprowadzeniu portu wyjście danych, to pośredni okres wysokiej impedancji przez 250 ns jest wprowadzany, zanim wartość portu PORTxn stanie się widoczna na wyprowadzeniu portu. Aby uniknąć zakłóceń, zaleca się utrzymywanie maksymalnej częstości przełączania bitu DDRxn na poziomie dwóch cykli zegara systemowego. Tryb Break-Before-Make odnosi się do całego portu i włącza się go za pomocą bitu BBMx.
Przełączanie pomiędzy wejściem a wyjściem w trybie Break-Before-Make.

Niezależnie od wartości bitu kierunku danych DDxn, końcówkę portu można odczytywać poprzez bit rejestru PINxn. Jak pokazano na schemacie z początku tego rozdziału bit rejestru PINxn oraz poprzedzający go przerzutnik latch tworzą synchronizator:

Jest on konieczny, aby uniknąć metastabilności, jeśli fizyczna końcówka portu zmienia wartość w pobliżu zbocza impulsu wewnętrznego zegara, lecz wprowadza on również opóźnienie. Poniższy rysunek pokazuje wykres czasowy synchronizacji, gdy odczytywany jest stan logiczny przykładany zewnętrznie do końcówki portu. Maksymalne i minimalne czasy opóźnień propagacyjnych są oznaczone odpowiednio jako tpd,max i tpd,min.

Rozważmy sytuację, gdy okres zegarowy rozpoczyna się tuż za pierwszą opadającą krawędzią zegara systemowego. Przerzutnik latch jest zatrzaśnięty przy niskim poziomie sygnału zegarowego, a staje się przezroczysty (na wyjściu pojawia się sygnał z wejścia D), gdy sygnał zegara przyjmuje stan wysoki, co pokazuje na powyższym wykresie zakreskowany na czerwono obszar. Gdy sygnał zegara wróci do stanu niskiego, wartość sygnału z wejścia zostaje zatrzaśnięta w przerzutniku latch. Przy następnej krawędzi narastającej zegara stan wyjścia Q przerzutnika latch zostaje przepisany do bitu rejestru PINxn. Jak pokazują czasy tpd,max i tpd,min, przejście sygnału z końcówki do bitu portu PINxn będzie opóźnione o czas pomiędzy ½ a 1½ okresu zegara systemu.
Gdy odczytywana jest wartość końcówki portu ustawiona programowo, należy wstawić instrukcję NOP, jak pokazano na poniższym wykresie. Instrukcja OUT ustawia przerzutnik latch przy dodatniej krawędzi zegara (przejście z 0 na 1). W tym przypadku opóźnienie tpd wprowadzane przez synchronizator wynosi jeden okres zegara systemowego.

Jak pokazano na schemacie z początku rozdziału, wejściowy sygnał cyfrowy może zostać zwarty do masy przed wejściem bramki Schmitta:

Sygnał oznaczony na tym rysunku jako SLEEP jest ustawiany przez sterownik usypiania mikrokontrolera w trybie wyłączania napięcia oraz w trybie gotowości, aby uniknąć wysokiego poboru energii, jeśli jakieś sygnały wejściowe pozostawiono w stanie pośrednim np. w pobliżu wartości VCC/2. Sygnał SLEEP zostaje anulowany dla końcówek portu aktywowanych jako końcówki przerwań zewnętrznych. Jeśli żądanie przerwania zewnętrznego nie jest włączone, to sygnał SLEEP jest aktywny również dla tych końcówek.
Sygnał SLEEP jest również anulowany przez różne inne funkcje alternatywne, jak opisano w kolejnym podrozdziale.
Jeśli wysoki stan logiczny utrzymuje się na końcówce asynchronicznego przerwania zewnętrznego skonfigurowanej jako "przerwanie przy narastającym zboczu, opadającym zboczu lub zmianie stanu końcówki", gdy przerwanie zewnętrzne nie jest uaktywnione, to odpowiadający tej końcówce znacznik przerwania zewnętrznego zostanie ustawiony, gdy mikrokontroler wybudzi się z powyżej wspomnianego trybu uśpienia, ponieważ zwarcie do masy w tych trybach uśpienia powoduje zmianę stanu logicznego.
Jeśli niektóre końcówki nie są używane, to zaleca się, aby posiadały one zdefiniowany poziom. Nawet chociaż większość cyfrowych wejść jest wyłączana w głębokich trybach uśpienia, jak opisano powyżej, należy unikać "pływających" wejść (gdy sygnał wejściowy ulega zmianom), aby zmniejszyć pobór prądu we wszystkich pozostałych trybach, gdzie cyfrowe wejścia są włączone (reset, tryb aktywny i tryb bezczynny).
Najprostszą metodą zapewnienia określonego poziomu na nieużywanej końcówce jest włączenie wewnętrznego opornika podciągającego. W takim przypadku opornik podciągający zostanie wyłączony podczas resetu. Jeśli ważny jest niski pobór energii podczas resetu, zaleca się użycie zewnętrznego opornika podciągającego w górę (ang. pull-up, opornik 10k podłączony do końcówki portu i napięcia zasilającego Vcc) lub w dół (ang. pull-down, opornik 10k podłączony do końcówki portu i masy GND). Podłączanie nieużywanych końcówek bezpośrednio do Vcc lub do GND nie jest zalecane, ponieważ może to wywołać wysokie prądy, jeśli dana końcówka przypadkowo zostanie skonfigurowana jako wyjście.
Poniższy przykład kodu pokazuje, jak ustawić końcówkę 0 portu B w stan wysoki, końcówkę 1 w stan niski, a końcówki 2 i 3 jako wejścia z opornikiem podciągającym przypisanym do końcówki 2. Wartości wynikowe z końcówek zostają odczytane z powrotem, lecz jak przedyskutowano wcześniej, instrukcja NOP zostaje wstawiona, aby wprowadzić odpowiednie opóźnienie niezbędne do poprawnego odczytu wartości przypisanej przed chwilą do niektórych końcówek.
...
; Zdefiniuj oporniki podciągające i ustaw wyjścia w stan wysoki
; Zdefiniuj kierunki dla końcówek portu
ldi r16,(1<<PUEB2)
ldi r17,(1<<PB0)
ldi r18,(1<<DDB1)|(1<<DDB0)
out PUEB,r16
out PORTB,r17
out DDRB,r18
; Wstaw nop dla synchronizacji
nop
; Czytaj stan końcówek portu
in r16,PINB
...
|
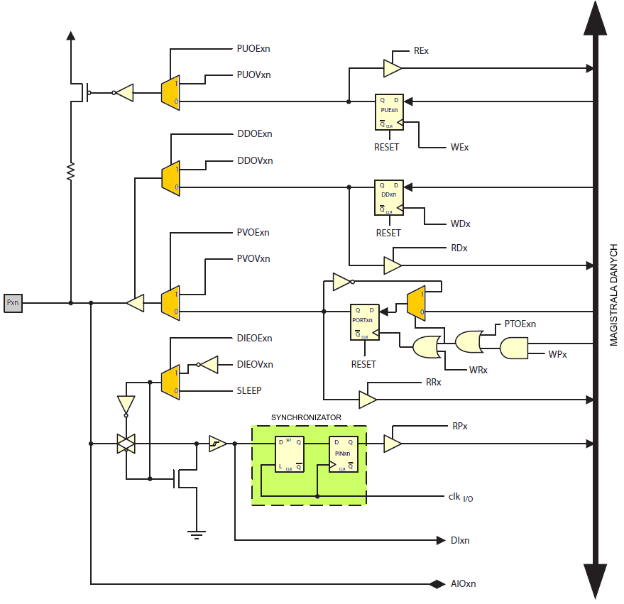
Wszystkie końcówki portów w mikrokontrolerach ATtiny4/5/9/10 posiadają alternatywne funkcje jako dodatek to ogólnego wejścia/wyjścia cyfrowego. Na poniższym rysunku przedstawione zostały sygnały sterujące końcówkami portów, które mogą anulować sygnały podstawowe, pokazane na rysunku z początku tego rozdziału.
Polega to na tym, iż sygnał anulujący wyłącza jedną z funkcji standardowych portu, a drugi sygnał sterujący wprowadza wartość alternatywną tej funkcji.

| PUOExn: | Pxn PULL-UP OVERRIDE ENABLE włączenie anulacji opornika podciągającego dla Pxn |
WEx: | WRITE PUEx zapis PUEx |
|
| PUOVxn: | Pxn PULL-UP OVERRIDE VALUE stan opornika podciągającego dla Pxn po anulacji |
REx | READ PUEx odczyt PUEx |
|
| DDOExn: | Pxn DATA DIRECTION OVERRIDE ENABLE włączenie anulacji kierunku danych dla Pxn |
WDx: | WRITE DDRx zapis DDRx |
|
| DDOVxn: | Pxn DATA DIRECTION OVERRIDE VALUE kierunek danych dla Pxn po anulacji |
RDx: | READ DDRx odczyt DDRx |
|
| PVOExn: | Pxn PORT VALUE OVERRIDE ENABLE włączenie anulacji stanu wyjściowego portu Pxn |
RRx: | READ PORTx REGISTER odczyt rejestru PORTx |
|
| PVOVxn: | Pxn PORT VALUE OVERRIDE VALUE stan wyjściowy portu Pxn po anulacji |
WRx | WRITE PORTx zapis rejestru PORTx |
|
| DIEOExn: | Pxn DIGITAL INPUT-ENABLE OVERRIDE ENABLE włączenie anulacji włączenia wejścia cyfrowego dla Pxn |
RPx: | READ PORTx PIN odczyt końcówki PORTx |
|
| DIEOVxn: | Pxn DIGITAL INPUT-ENABLE OVERRIDE VALUE stan włączenia wejścia cyfrowego Pxn po anulacji |
WPx: | WRITE PINx zapis PINx |
|
| SLEEP | sterowanie uśpieniem | clkI/O: | I/O CLOCK zegar we/wy |
|
| PTOExn: | Pxn, PORT TOGGLE OVERRIDE ENABLE włączenie anulacji zmiany stanu portu Pxn na przeciwny |
DIxn: | DIGITAL INPUT PIN n ON PORTx końcówka wejścia cyfrowego w PORTx |
|
| AIOxn: | ANALOG INPUT/OUTPUT PIN n ON PORTx końcówka n we/wy analogowego w PORTx |
| Uwaga: | Sygnały WEx,
WRx, WPx, WDx, REx,
RRx, RPx i RDx są wspólne dla wszystkich końcówek wewnątrz tego samego portu. Sygnały clkI/O i SLEEP są wspólne dla wszystkich portów. Wszystkie pozostałe sygnały są indywidualne dla każdej końcówki. |
Ilustracja na powyższym rysunku służy jako ogólny opis, który odnosi się do wszystkich końcówek portów w rodzinie mikrokontrolerów AVR. Niektóre sygnały anulujące mogą nie występować we wszystkich końcówkach portów.
Poniższa tabela podsumowuje funkcje sygnałów anulujących. Indeksy końcówek i portów z obrazka powyżej nie będą pokazywane w następnych tabelach. Sygnały anulujące są generowane wewnętrznie w modułach posiadających alternatywną funkcję.
| Nazwa sygnału |
Pełna nazwa | Opis |
| PUOE | Pull-up Override Enable włączenie anulacji opornika podciągającego |
Jeśli sygnał ten ma wysoki poziom logiczny, to sterowanie przyłączaniem opornika podciągającego jest kontrolowane przez sygnał PUOV. Jeśli sygnał ten ma niski stan logiczny, to opornik podciągający zostanie podłączony do linii portu, gdy PUExn = 0b1. |
| PUOV | Pull-up Override Value stan opornika podciągającego po anulacji |
Jeśli PUOE jest w stanie wysokim, to opornik podciągający jest podłączany/odłączany przez stan sygnału PUOV bez względu na ustawienie bitu rejestrowego PUExn. |
| DDOE | Data Direction Override Enable włączenie anulacji kierunku danych |
Jeśli sygnał ten ma stan wysoki, kierunek działania portu jest kontrolowany przez sygnał DDOV. Jeśli ten sygnał ma stan niski, to kierunkiem pracy portu steruje bit rejestrowy DDxn. |
| DDOV | Data Direction Override Value kierunek danych po anulacji |
Jeśli DDOE ma stan wysoki, to kierunkiem pracy portu steruje sygnał DDOV bez względu na ustawienie bitu rejestrowego DDxn. |
| PVOE | Port Value Override Enable włączenie anulacji stanu wyjściowego portu |
Jeśli sygnał ten ma stan wysoki i aktywne jest wyjście portu, to stan na tym wyjściu kontroluje sygnał PVOV. Jeśli PVOE ma stan niski i wyjście portu jest aktywne, to stan na tym wyjściu określa bit rejestrowy PORTxn. |
| PVOV | Port Value Override Value stan wyjścia portu po anulacji |
Jeśli PVOE jest w stanie wysokim, to stan wyjścia portu (jeśli port pracuje jako wyjście) określa PVOV, bez względu na ustawienie bitu rejestrowego PORTxn. |
| PTOE | Port Toggle Override Enable włączenie anulacji zmiany stanu portu na przeciwny |
Jeśli PTOE jest w stanie wysokim, to bit rejestrowy PORTxn zostanie zanegowany. |
| DIEOE | Digital Input Enable Override Enable włączenie anulacji włączenia wejścia cyfrowego |
Jeśli sygnał ten jest ustawiony, to włączanie/wyłączanie wejścia cyfrowego jest kontrolowane stanem sygnału DIEOV. Jeśli sygnał DIEOE ma stan niski to włączanie/wyłączanie wejścia cyfrowego określa stan mikrokontrolera (tryb normalny, tryb uśpienia). |
| DIEOV | Digital Input Enable Override Value stan włączenia wejścia cyfrowego po anulacji |
Jeśli sygnał DIEOE jest ustawiony, to wejście cyfrowe jest włączane/ wyłączane stanem sygnału DIEOV, bez względu na stan mikrokontrolera (tryb normalny, tryb uśpienia). |
| DI | Digital Input wejście cyfrowe |
Jest to wejście cyfrowe dla alternatywnych funkcji. Na rysunku powyżej jest ono połączone z wyjściem bramki Schmitta przed synchronizatorem. O ile wejście cyfrowe nie będzie używane jako źródło zegarowe, moduł z alternatywną funkcją będzie korzystał ze swojego własnego synchronizatora. |
| AIO | Analog Input/Output wejście/wyjście analogowe |
Jest to analogowe
wejście/wyjście dla alternatywnych funkcji. Sygnał jest bezpośrednio podłączony do końcówki mikrokontrolera i może być używany w obu kierunkach. |
Kolejne podrozdziały krótko opisują alternatywne funkcje dla każdego portu oraz łączą sygnały anulujące z tymi funkcjami. Więcej szczegółów znajdziesz w opisie funkcji alternatywnych w dalszych rozdziałach.
Alternatywne funkcje końcówek portu B w mikrokontrolerach ATtiny4/5/9/10 są pokazane w poniższej tabeli:

| Końcówka | Funkcja alternatywna |
| PB0 | ADC0: kanał 0 wejścia przetwornika A/C AIN0: komparator analogowy, wejście dodatnie OC0A: wyjście Output Compare A timera/licznika 0 PCINT0: przerwanie 0 od zmiany końcówki, źródło 0 TPIDATA: dane programowania szeregowego |
| PB1 | ADC1: kanał 1 wejścia przetwornika A/C AIN1:komparator analogowy, wejście ujemne CLKI: zegar zewnętrzny ICP0: wejście Input Capture dla timera/licznika 0 OC0B: wyjście Output Compare B timera/licznika 0 PCINT1:przerwanie 0 od zmiany końcówki, źródło 1 TPICLK: zegar programowania szeregowego |
| PB2 | ADC2: kanał 2 wejścia przetwornika A/C CLKO: wyjście zegara systemowego INT0: źródło przerwania zewnętrznego 0 PCINT2: przerwanie 0 od zmiany końcówki, źródło 2 T0: źródło zegara dla timera/licznika 0 |
| PB3 | ADC3: kanał 3 wejścia przetwornika A/C PCINT3: przerwanie 0 od zmiany końcówki, źródło 3 RESET: końcówka resetowania |
Poniższa tabela pokazuje powiązania funkcji alternatywnych z sygnałami anulującymi:
| Nazwa sygnału |
PB3/ADC3/RESET/PCINT3 | PB2/ADC2/INT0/T0/CLKO/PCINT2 |
| PUOE | RSTDISBL(1) | CKOUT(2) |
| PUOV | 1 | 0 |
| DDOE | RSTDISBL(1) | CKOUT(2) |
| DDOV | 0 | 1 |
| PVOE | 0 | CKOUT(2) |
| PVOV | 0 | (zegar systemowy) |
| PTOE | 0 | 0 |
| DIEOE | RSTDISBL(1) + (PCINT3 • PCIE0) + ADC3D | (PCINT2 • PCIE0) + ADC2D + INT0 |
| DIEOV | RSTDISBL • PCINT3 • PCIE0 | (PCINT2 • PCIE0) + INT0 |
| DI | Wejście PCINT3 | Wejście INT0/T0/PCINT2 |
| AIO | Wejście ADC3 | Wejście ADC2 |
| Uwagi: | (1) RSTDISBL ma stan 1, gdy bit konfiguracyjny ma stan “0” (zaprogramowany). |
| (2) CKOUT ma stan 1, gdy bit konfiguracyjny ma stan “0” (zaprogramowany). |
| Nazwa sygnału |
PB3/ADC3/RESET/PCINT3 | PB2/ADC2/INT0/T0/CLKO/PCINT2 |
| PUOE | EXT_CLOCK(1) | 0 |
| PUOV | 0 | 0 |
| DDOE | EXT_CLOCK(1) | 0 |
| DDOV | 0 | 0 |
| PVOE | EXT_CLOCK(1) + OC0B Enable | OC0A Enable |
| PVOV | EXT_CLOCK(1) • OC0B | OC0A |
| PTOE | 0 | 0 |
| DIEOE | EXT_CLOCK(1) + (PCINT1 • PCIE0) + ADC1D | (PCINT0 • PCIE0) + ADC0D |
| DIEOV | (EXT_CLOCK(1) • PWR_DOWN) + (EXT_CLOCK(1) • PCINT1 • PCIE0) | PCINT0 • PCIE0 |
| DI | Wejście CLOCK/ICP0/PCINT1 | Wejście PCINT0 |
| AIO | ADC1/wejście ujemne komparatora analogowego | ADC0/wejście dodatnie komparatora analogowego |
| Uwagi: | (1) EXT_CLOCK ma stan 1, gdy zewnętrzny zegar jest wybrany jako zegar główny. |
| Bit | 7 | 6 | 5 | 4 | 3 | 2 | 1 | 0 | |
| 0x0C | - | - | - | - | - | - | BBMB | - | PORTCR |
| Zapis/Odczyt | O | O | O | O | O | O | Z/O | O | |
| Wartość początkowa | 0 | 0 | 0 | 0 | 0 | 0 | 0 | 0 |
Bity te są zarezerwowane i przy odczycie zwracają zawsze 0.
Gdy bit ten zostanie ustawiony, aktywuje się tryb Break-Before-Make dla całego portu B. Pośredni cykl stanu wysokiej impedancji będzie wstawiany na wyjściu końcówki portu, jeśli przełącza się ją z trybu wejścia w tryb wyjścia przez zapis bitu DDRxn. Więcej informacji znajdziesz w podrozdziale "Przełączanie kierunku portu w trybie Break-Before-Make".
| Bit | 7 | 6 | 5 | 4 | 3 | 2 | 1 | 0 | |
| 0x03 | - | - | - | - | PUEB3 | PUEB2 | PUEB1 | PUEB0 | PUEB |
| Zapis/Odczyt | O | O | O | O | Z/O | Z/O | Z/O | Z/O | |
| Wartość początkowa | 0 | 0 | 0 | 0 | 0 | 0 | 0 | 0 |
| Bit | 7 | 6 | 5 | 4 | 3 | 2 | 1 | 0 | |
| 0x02 | - | - | - | - | PORTB3 | PORTB2 | PORTB1 | PORTB0 | SREG |
| Zapis/Odczyt | O | O | O | O | Z/O | Z/O | Z/O | Z/O | |
| Wartość początkowa | 0 | 0 | 0 | 0 | 0 | 0 | 0 | 0 |
| Bit | 7 | 6 | 5 | 4 | 3 | 2 | 1 | 0 | |
| 0x01 | - | - | - | - | DDB3 | DDB2 | DDB1 | DDB0 | DDRB |
| Zapis/Odczyt | O | O | O | O | Z/O | Z/O | Z/O | Z/O | |
| Wartość początkowa | 0 | 0 | 0 | 0 | 0 | 0 | 0 | 0 |
| Bit | 7 | 6 | 5 | 4 | 3 | 2 | 1 | 0 | |
| 0x00 | - | - | - | - | PINB3 | PINB2 | PINB1 | PINB0 | PINB |
| Zapis/Odczyt | O | O | O | O | Z/O | Z/O | Z/O | Z/O | |
| Wartość początkowa | 0 | 0 | 0 | 0 | 0 | 0 | 0 | 0 |
![]() |
Zespół Przedmiotowy Chemii-Fizyki-Informatyki w I Liceum Ogólnokształcącym im. Kazimierza Brodzińskiego w Tarnowie ul. Piłsudskiego 4 ©2026 mgr Jerzy Wałaszek |
Materiały tylko do użytku dydaktycznego. Ich kopiowanie i powielanie jest dozwolone pod warunkiem podania źródła oraz niepobierania za to pieniędzy.
Pytania proszę przesyłać na adres email:
Serwis wykorzystuje pliki cookies. Jeśli nie chcesz ich otrzymywać, zablokuj je w swojej przeglądarce.
Informacje dodatkowe.